EasyManua.ls Logo

CETAC ASXPRESS PLUS - Page 59

CETAC ASXPRESS PLUS
160 pages
Print Icon
To Next Page IconTo Next Page
To Next Page IconTo Next Page
To Previous Page IconTo Previous Page
To Previous Page IconTo Previous Page
Loading...
ASXPRESS PLUS Rapid Sample Introduction System Operator’s Manual
Chapter 5: Preparing an ASX-1400/1600 Autosampler
59
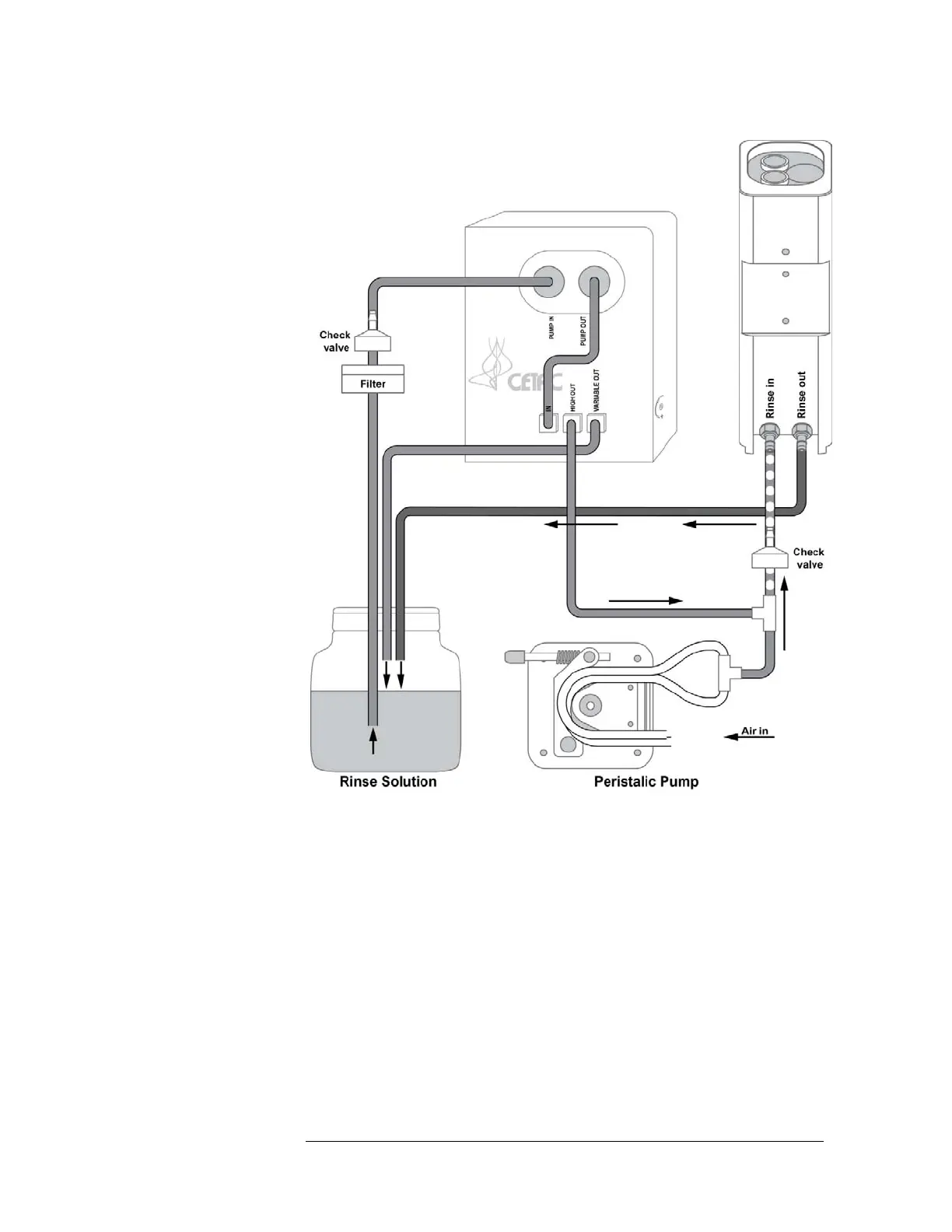
Figure 5-8 Typical Rinse Connections for an ASX-1400/1600 Autosampler
with Diaphragm Pump and Gravity Drain. This configuration is recommended
for most applications.

Table of Contents

Other manuals for CETAC ASXPRESS PLUS

Related product manuals