EasyManua.ls Logo

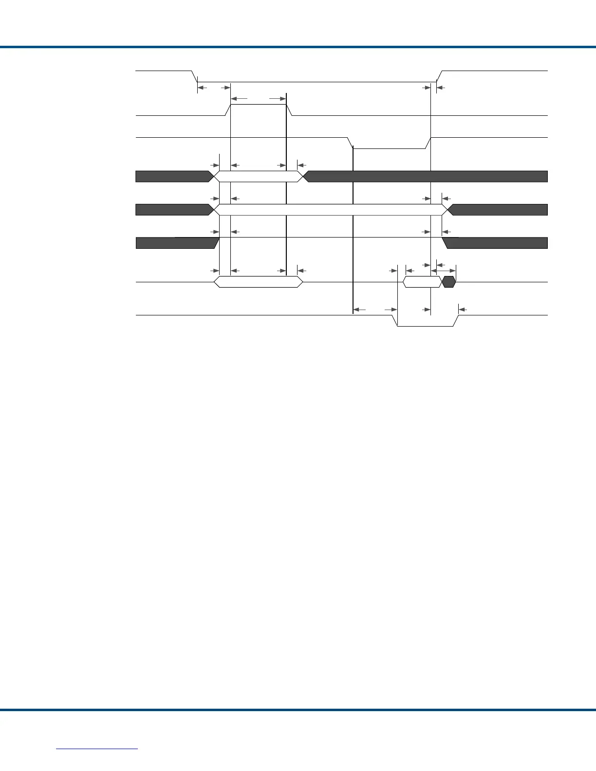
DDC Total-AceXtreme MIL-STD-1553 - Figure 15. Asynchronous Multiplexed Address 32-Bit Read Timing

Default Icon
141 pages
Print Icon
To Next Page IconTo Next Page
To Next Page IconTo Next Page
To Previous Page IconTo Previous Page
To Previous Page IconTo Previous Page
Loading...
HOST INTERFACE
Data Device Corporation DS-BU-67301B-G
www.ddc-web.com
1/14
47
Figure 15. Asynchronous Multiplexed Address 32-bit Read Timing
Figure 15 Notes:
1. When nSELECT is asserted (low), the Total-AceXtreme® is selected for this
data transfer. nSELECT must be asserted through the full transfer cycle. In
Asynchronous mode, nSELECT may be kept low for consecutive transactions
by the Total-AceXtreme.
2. The CPU_WORD_EN[1:0] inputs are used to specify which 16-bit data
memory words are valid for this transfer. If either or both these bits is ‘0’, then
the corresponding 16-bit word(s) will return a value of ‘0000’. These inputs
should be tied high if unused.
3. For register accesses, the value of CPU_WORD_EN[1:0] must be ‘11’.

Table of Contents