EasyManua.ls Logo

Det-Tronics Eagle Quantum Premier - Page 37

Det-Tronics Eagle Quantum Premier
142 pages
Print Icon
To Next Page IconTo Next Page
To Next Page IconTo Next Page
To Previous Page IconTo Previous Page
To Previous Page IconTo Previous Page
Loading...
3-14
95-8533
18.2
Connector P9, Terminals 57, 58 & 59 —
S
³
Conguration Port
Configuration data downloaded into the
controller configures the serial interface
transmission baud rate and parity check for the
serial port. Software selectable baud rates are
2400, 4800, 9600,19200, 38400, 57600, and
115200 (factory default is 115200). Software
selectable parity is None, Odd, and Even.
Port Pinout (3-position terminal block)
57 — GND
58 — RXD
59 — TXD
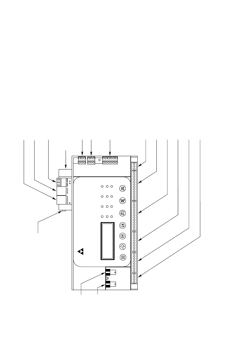
Figure 3-6B—Location of Wiring Terminals on EQP Controller with Ethernet Interface Board
P9: TERMINALS 57 TO 59
RS-232 S3 CONFIGURATION PORT
Port 3, ETHERNET, MODBUS TCP/IP MASTER/SLAVE
or S3 CONFIGURATION
Port 4, ETHERNET, MODBUS TCP/IP MASTER/SLAVE
P10: TERMINALS 60 TO 62 - PORT 2
RS-485 MODBUS RTU MASTER/SLAVE
P8: TERMINALS 54 TO 56 - PORT 1
RS-485 MODBUS RTU MASTER/SLAVE
P7: TERMINALS 48 TO 53
LON CONNECTIONS
P6: TERMINALS 45 TO 47
FAULT RELAY (NC CONTACT)
P5: TERMINALS 33 TO 44
RELAYS 5 TO 8
P4: TERMINALS 21 TO 32
RELAYS 1 TO 4
P3: TERMINALS 13 TO 20
DIGITAL INPUTS 5 TO 8
P2: TERMINALS 5 TO 12
DIGITAL INPUTS 1 TO 4
P1: TERMINALS 1 TO 4
24 VDC INPUT POWER
A2632
EAGLE QUANTUM PREMIER
Safety System Controller
Fire Alarm Inhibit Power
SuprHigh Gas
Trouble
Cntrl Flt
Lon FaultLow Gas Ack Silence
Out Inhibit
Eagle Quantum Premier
Time & Date
Cancel Enter Next Previous Reset Acknowledge Silence
1
4
6062
5
12 13 20
21 32
33
44
45 47
48 53
54
56 57 59
CONTROLNET
BNC CONNECTOR A
OR
ETHERNET DLR RJ45
CONNECTOR PORT 1
CONTROLNET
BNC CONNECTOR B
OR
ETHERNET DLR RJ45
CONNECTOR PORT 2
P13: HIGH SPEED SERIAL LINK (HSSL)
RS-232 (REDUNDANCY ONLY)
DET-TRONICS
®
ETHERNET INTERFACE BOARD

Table of Contents

Related product manuals