EasyManua.ls Logo

Det-Tronics Eagle Quantum Premier - Page 36

Det-Tronics Eagle Quantum Premier
142 pages
Print Icon
To Next Page IconTo Next Page
To Next Page IconTo Next Page
To Previous Page IconTo Previous Page
To Previous Page IconTo Previous Page
Loading...
95-8533
3-13
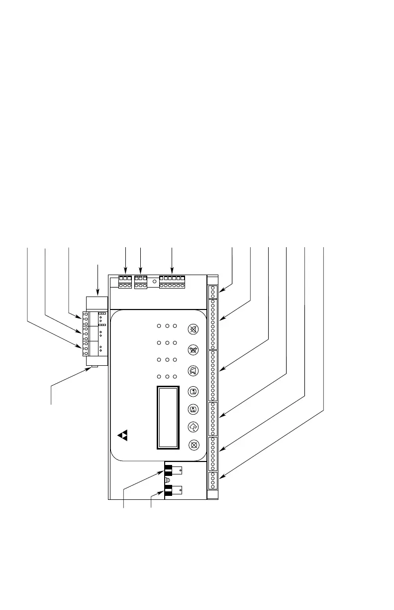
18.2
P9: TERMINALS 57 TO 59
RS-232 S3 CONFIGURATION PORT
P11: TERMINALS 63 TO 65 – PORT 3
RS-232 MODBUS RTU MASTER/SLAVE
OR S3 CONFIGURATION
P12: TERMINALS 66 TO 68 – PORT 4
RS-232 MODBUS RTU MASTER/SLAVE
P10: TERMINALS 60 TO 62 - PORT 2
RS-485 MODBUS RTU MASTER/SLAVE
P8: TERMINALS 54 TO 56 - PORT 1
RS-485 MODBUS RTU MASTER/SLAVE
P7: TERMINALS 48 TO 53
LON CONNECTIONS
P6: TERMINALS 45 TO 47
FAULT RELAY (NC CONTACT)
P5: TERMINALS 33 TO 44
RELAYS 5 TO 8
P4: TERMINALS 21 TO 32
RELAYS 1 TO 4
P3: TERMINALS 13 TO 20
DIGITAL INPUTS 5 TO 8
P2: TERMINALS 5 TO 12
DIGITAL INPUTS 1 TO 4
P1: TERMINALS 1 TO 4
24 VDC INPUT POWER
G2105
EAGLE QUANTUM PREMIER
Safety System Controller
Fire Alarm Inhibit Pow er
SuprHigh Gas
Trouble
Cntrl Flt
Lon FaultLow Gas Ack Silence
Out Inhibit
Eagle Quantum Premier
Time & Date
Cancel Enter Next Previous Reset Acknowledge Silence
1
4
606263656668
5
12 13 20
21 32
33
44
45 47
48 53
54
56 57 59
CONTROLNET
BNC CONNECTOR A
OR
ETHERNET DLR RJ45
CONNECTOR PORT 1
CONTROLNET
BNC CONNECTOR B
OR
ETHERNET DLR RJ45
CONNECTOR PORT 2
P13: HIGH SPEED SERIAL LINK (HSSL)
RS-232 (REDUNDANCY ONLY)
DET-TRONICS
®
SERIAL INTERFACE BOARD
Figure 3-6A—Location of Wiring Terminals on EQP Controller with Serial Interface Board
Jumper P26 – LON COM 2 Termination
1-2 COM 2 Terminated (factory setting)
2-3 COM 2 Unterminated (Redundancy)
Connector P8, Terminals 54, 55 & 56 , Port 1—
RS-485 Modbus RTU Master/Slave
Configuration data downloaded into the
controller configures the serial interface
transmission baud rate, parity check for the
serial port, and Modbus device address.
Software selectable baud rates are 2400,
4800, 9600,19200, 38400, 57600, and 115200.
Software selectable parity is None, Odd, and
Even. The controller uses 8 data bits with 1
stop bit.
Port Pinout (3-position terminal block)
54 — GND
55 — B
56 — A

Table of Contents

Related product manuals