EasyManua.ls Logo

Digi SM-720 - SM-720 DP (SM800 LCD Option) Diagram

Digi SM-720
158 pages
Print Icon
To Next Page IconTo Next Page
To Next Page IconTo Next Page
To Previous Page IconTo Previous Page
To Previous Page IconTo Previous Page
Loading...
SM-500V2 Service Manual Edition 5
110
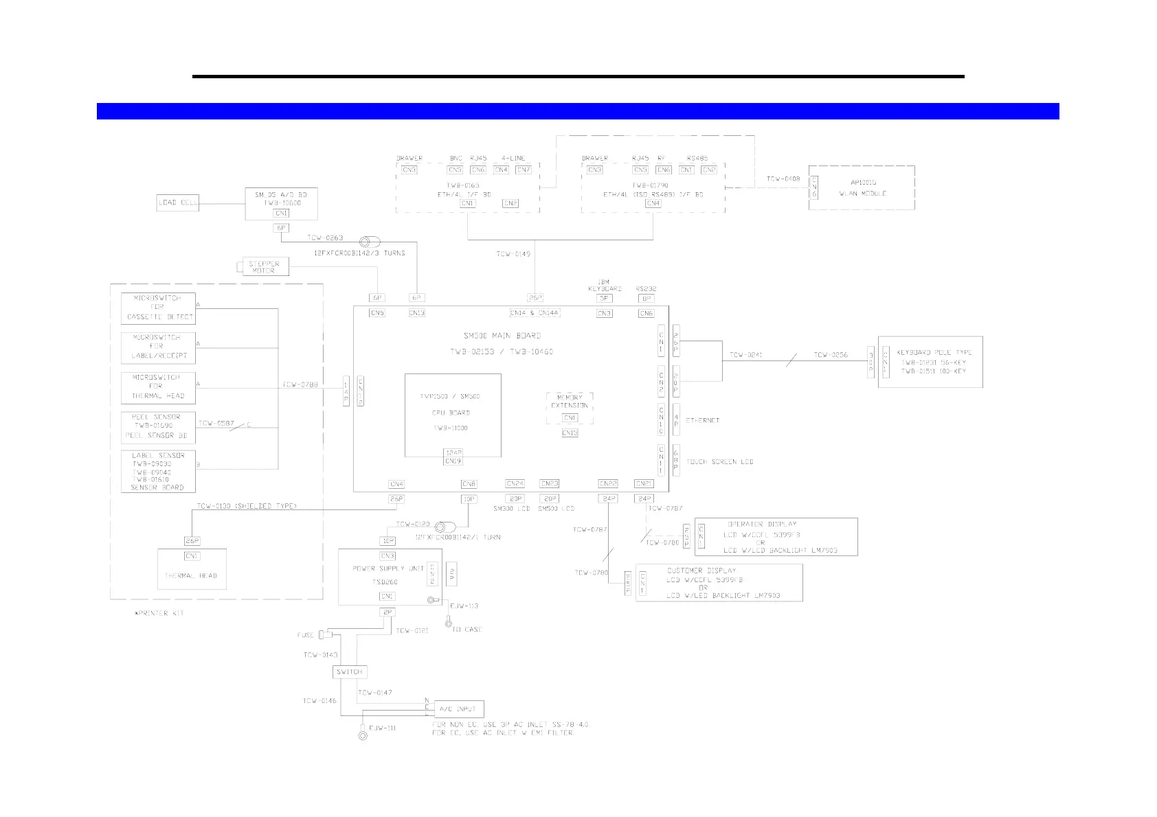
13.2 SM-720DP (SM800 LCD Option)

Table of Contents

Related product manuals