EasyManua.ls Logo

Dynapac F6C - Points for Checking, Lubricating and Draining Oil

Dynapac F6C
126 pages
Print Icon
To Next Page IconTo Next Page
To Next Page IconTo Next Page
To Previous Page IconTo Previous Page
To Previous Page IconTo Previous Page
Loading...
F 10
F F6C.GB 10-30 0504
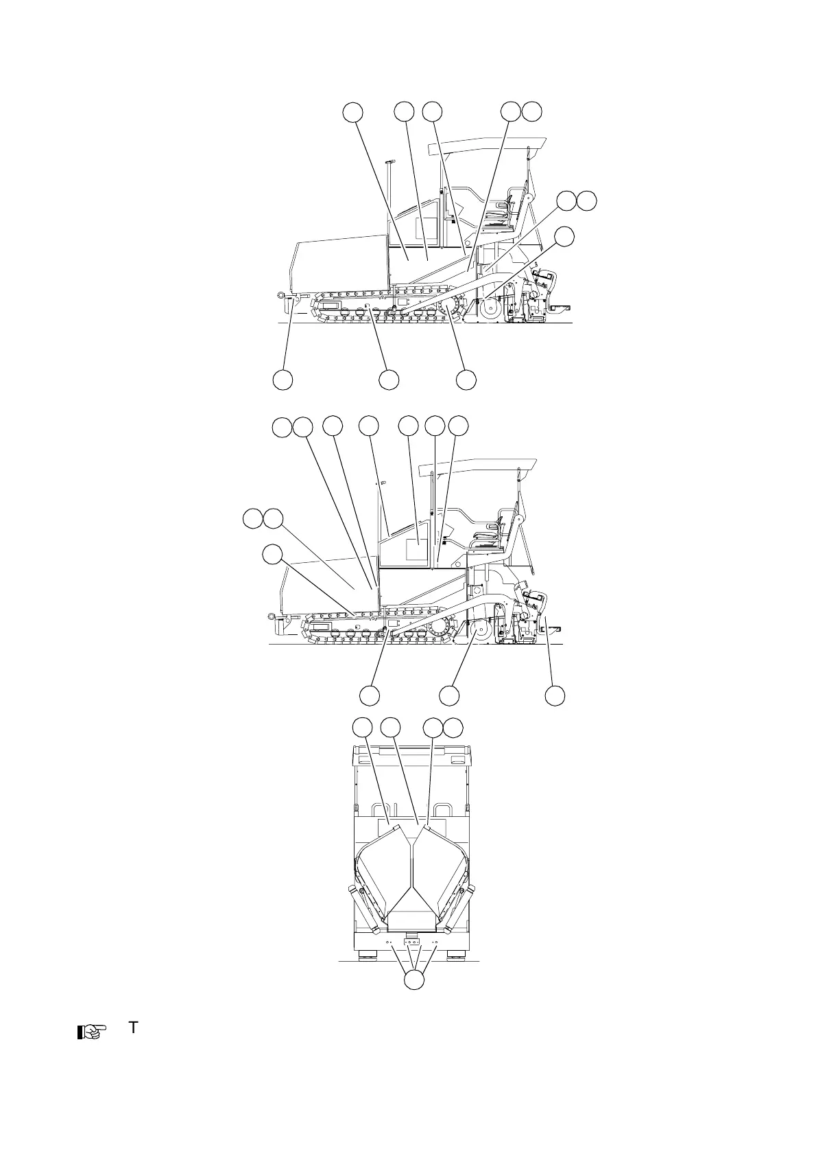
3 Points for checking, lubricating and draining oil
The points for checking, lubricating and draining oil are described in detail below.
The item numbers given in the headers refer to the illustration above.
2
22 216
6
24 25
17
27
8
8
23
9
12
12
9
13
13
20
20
13
11
11
5
3
4
4
1
1

Table of Contents

Related product manuals