EasyManua.ls Logo

Dynatest FWD - Page 103

Default Icon
199 pages
Print Icon
To Next Page IconTo Next Page
To Next Page IconTo Next Page
To Previous Page IconTo Previous Page
To Previous Page IconTo Previous Page
Loading...
2017.06.19 FwdMan2.8.17.docx 11-91
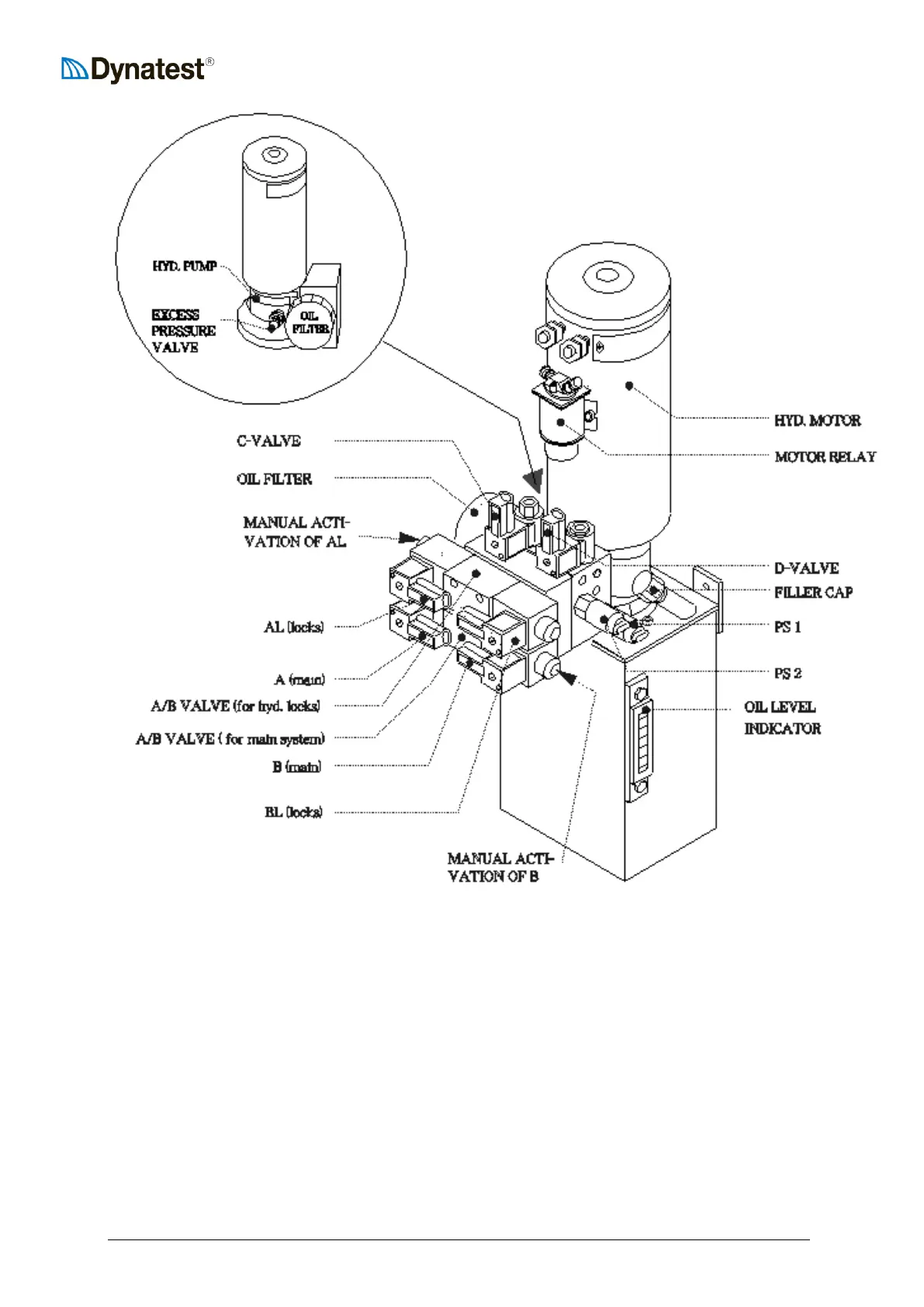
HWD Hydraulics (with Automated Transport Locks)

Table of Contents

Related product manuals