EasyManua.ls Logo

Fuji Electric Frenic Mega Series - Page 424

Fuji Electric Frenic Mega Series
774 pages
To Next Page IconTo Next Page
To Next Page IconTo Next Page
To Previous Page IconTo Previous Page
To Previous Page IconTo Previous Page
Loading...
5.4 Details of Function Codes
5-243
Details of
Function Codes
F codes
E codes
C codes
P codes
H codes
A codes
b codes
r codes
J codes
d21 to d35
U codes
y codes
Chapter 5 Function Code
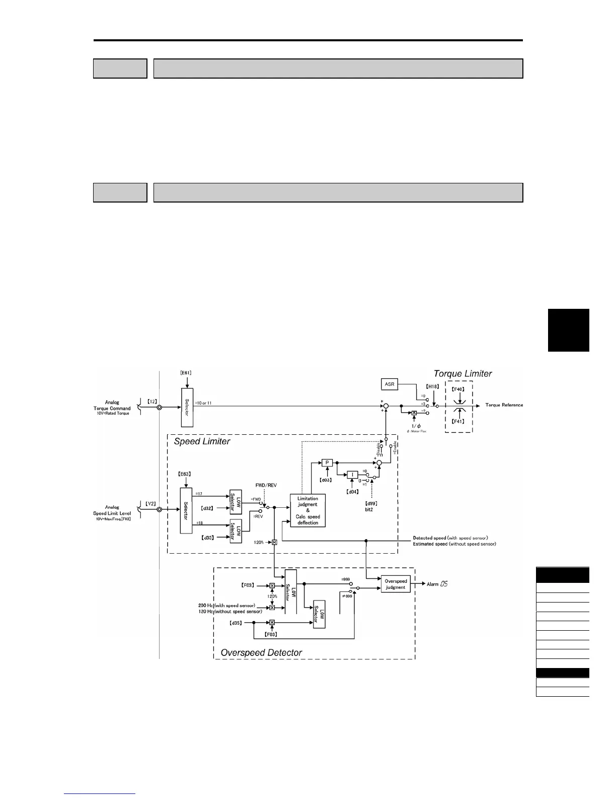
d32, d33
Torque Control (Speed Limit 1, Speed Limit 2)
There are cases that the motor unexpectedly starts rotating in high speed due to the regenerative load in
droop control (which is not generated usually) or due to the incorrect setting of the function code. In order to
protect the machinery, the overspeed level can be freely set.
- Forward overspeed level = Maximum output frequency (F03) x Speed limit 1 (d32) x 120 (%)
- Reverse overspeed level = Maximum output frequency (F03) x Speed limit 2 (d33) x 120 (%)
d35
Overspeed Detect Level
The overspeed detect level by the torque control can be set by using d35. The overspeed detect level is set
in percentage to the maximum output frequency (F03, A01, b01, r01).
When the following conditions are established, the inverter judges the overspeed condition and outputs
0s
alarm.
Motor speed
Max. output frequency (F03/A01/b01/r01) x d35
When "999" is set, the inverter outputs
0s
alarm under the following conventional conditions.
Motor speed
Max. output frequency (F03/A01/b01/r01) x (d32 or d33) x 1.2
Or
Motor speed
200 Hz (vector control with speed sensor) or 120 Hz (vector control without speed sensor)
x (d32 or d33) x 1.2
Fig.5.4-124 Torque control block drawing

Table of Contents

Related product manuals