EasyManua.ls Logo

GE Vivid E9 - Page 220

GE Vivid E9
802 pages
Print Icon
To Next Page IconTo Next Page
To Next Page IconTo Next Page
To Previous Page IconTo Previous Page
To Previous Page IconTo Previous Page
Loading...
GE H
EALTHCARE
D
IRECTION
GA091568, R
EVISION
5 VIVID E9 S
ERVICE
M
ANUAL
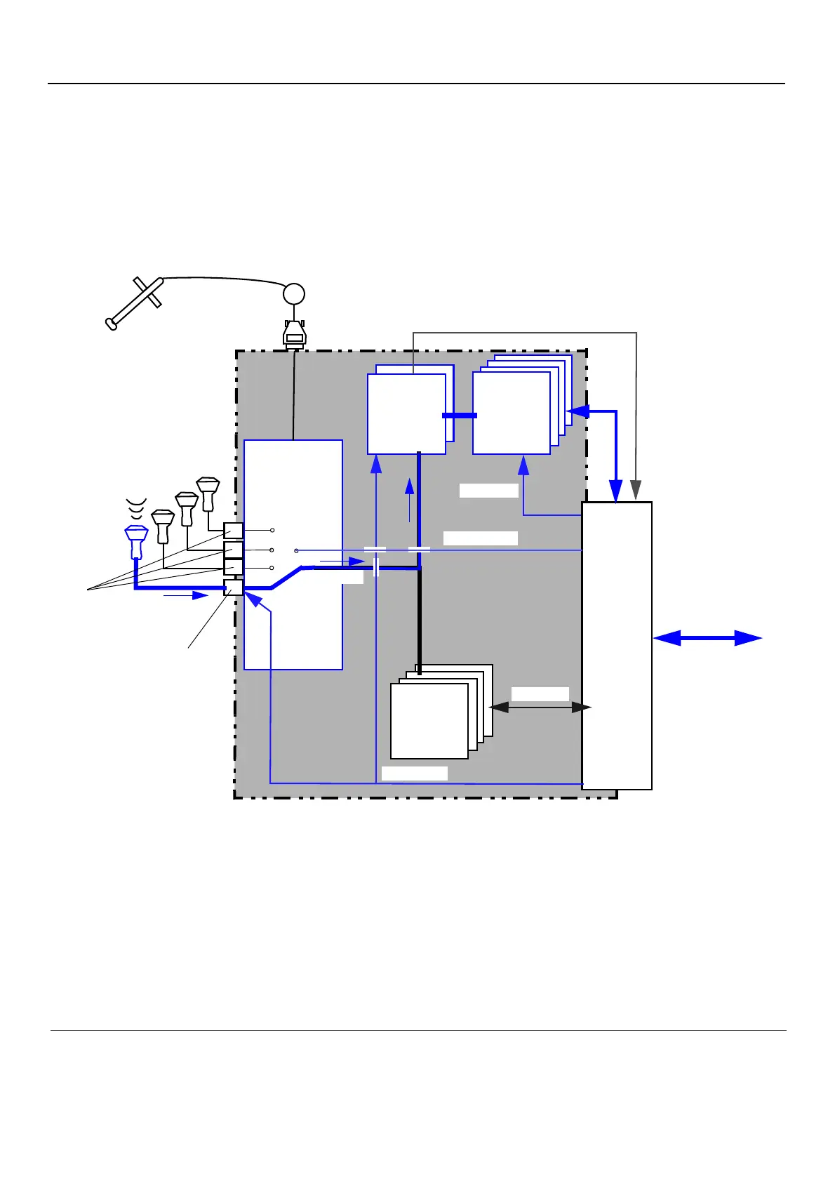
5 - 30 Section 5-8 - Front End Processor (FEP)
5-8-2-2 Phased and Linear Array probes
Phased and Linear Array probes consist of several identical transducer elements (e.g. 64, 128,
192).
Four probes can be connected to the system at the same time. The probe connectors are physically
located on the Relay Board, where one is selected and connected to the transmitter (GTX boards)
and receiver (GRX board) through a number of relays.
5-8-2-3 Receiver signal path
NOTE: The number of cards depend on the VIVID E9 model, and options installed.
The reflected signal from body structures and blood cells are routed from the probe, via the Relay
Board and the Front Plane to the GRX (receiver) boards, where pre-amplification and Analog Time
Gain Compensation (ATGC) is performed. The gain is determined by an analog control signal
(ATGC) generated by the Global Radio Frequency Interface board (GFI).
The output channels from the GRX boards are fed to the DRX boards where the signals in each
receiver channel are A/D converted. Then the beamforming for the received signals takes place.
Figure 5-15 The Ultrasound Receiver
RELAY
BOARD
GRX
GFI
BOARD
PROBES
DOPPLER PROBE
XD_BUS
FE_BUS
DRX
GTX
STA_BUS
LVDS_BUS
DLP
DL
FE_BUS
CW_BUS (RX)
PCIe BUS
TO/FROM BEP

Table of Contents

Other manuals for GE Vivid E9

Related product manuals