EasyManua.ls Logo

GRAPHTEC FC4200-50 - Advanced Cutting Modes: THICK MODE Settings; Setting Cutting Conditions in THICK MODE

GRAPHTEC FC4200-50
106 pages
Print Icon
To Next Page IconTo Next Page
To Next Page IconTo Next Page
To Previous Page IconTo Previous Page
To Previous Page IconTo Previous Page
Loading...
FC4200-UM-251-03-9370 29
REPLACEMENT PROCEDURES
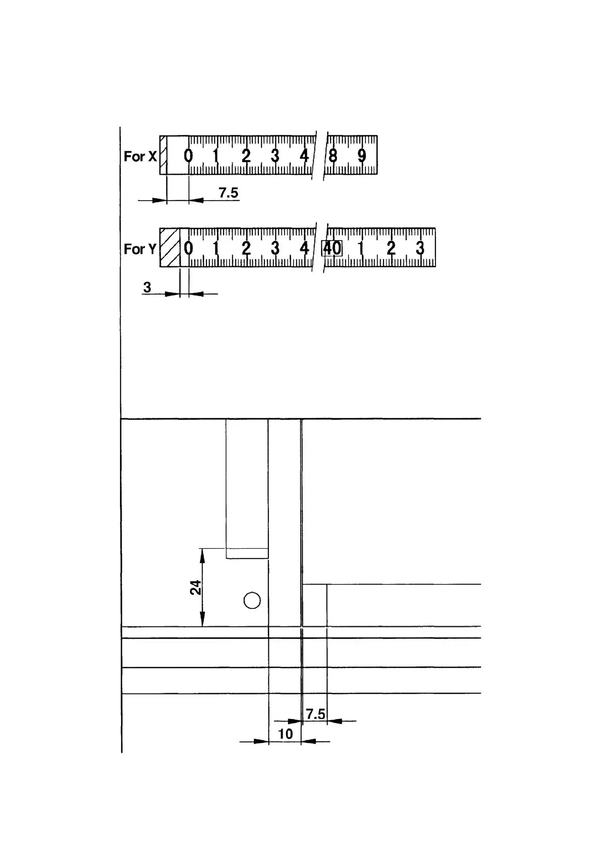
6.19 Measure Seal Pasting Position (FC4200-50)
Cut the measure to the length shown below and paste the cut measure into place.
Termination 435 mm
Pasting
X: Paste the measure at the position at which the 0 on the measure is set 7.5
mm from the honeycomb edge along the X-axis, and the measure is vertically
aligned with the honeycomb edge.
Y: Paste the measure at the position at which the 0 on the measure is 24 mm from
the honeycomb edge vertically, and distance along the X axis is 10 mm from
the edge of Panel L.
Termination 595 mm

Table of Contents

Other manuals for GRAPHTEC FC4200-50

Related product manuals