EasyManua.ls Logo

GRAPHTEC FC4200-50 - Test Modes and Diagnostics; Printing Current Settings List

GRAPHTEC FC4200-50
106 pages
Print Icon
To Next Page IconTo Next Page
To Next Page IconTo Next Page
To Previous Page IconTo Previous Page
To Previous Page IconTo Previous Page
Loading...
FC4200-UM-251-03-9370 80
PART LIST
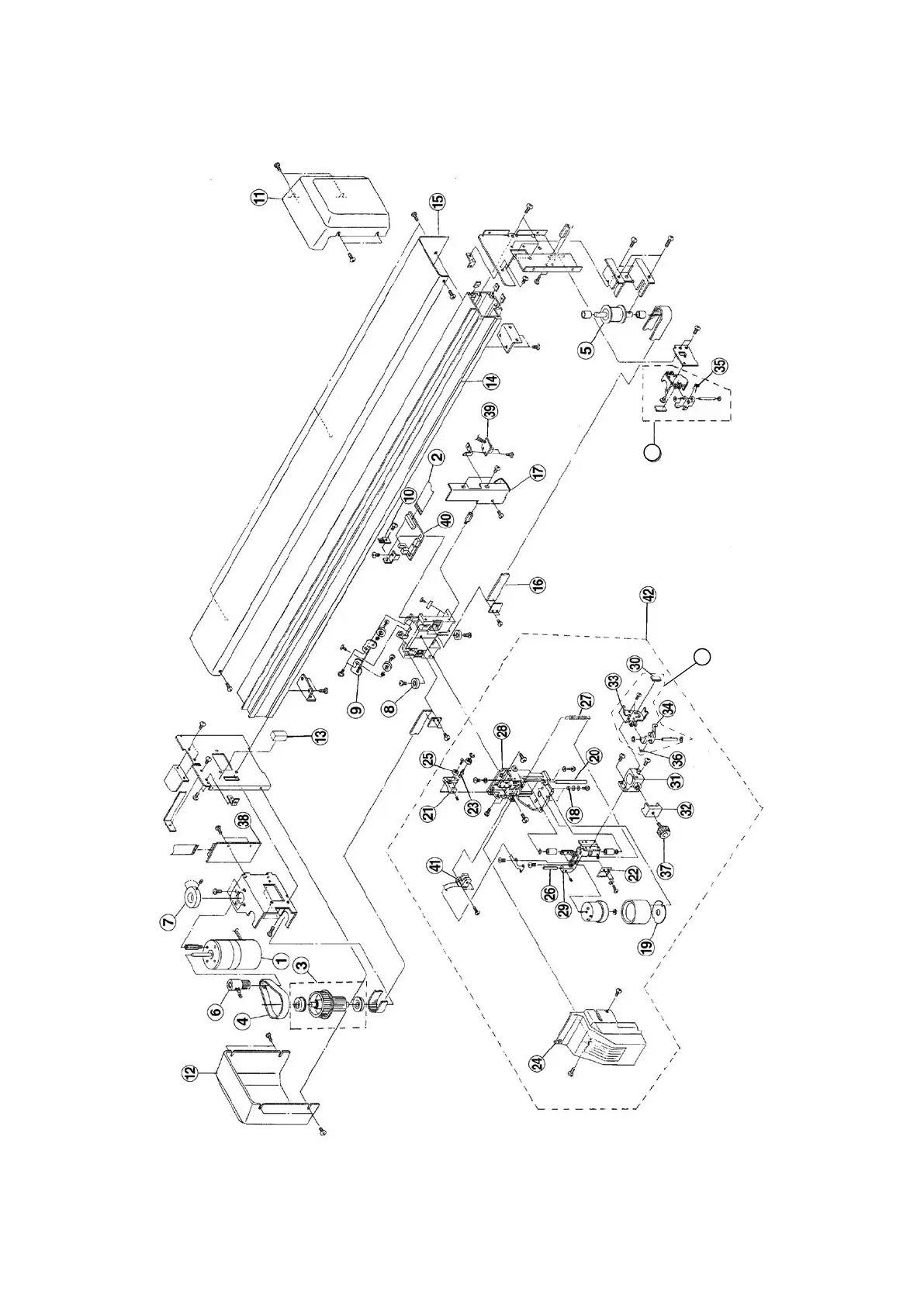
Y Bar, Y Slide Section, Y Drive Section, and Pen Block Section
46
45

Table of Contents

Other manuals for GRAPHTEC FC4200-50

Related product manuals