EasyManua.ls Logo

GRAPHTEC FC4200-50 - Error Messages in HP-GL Command Mode; HP-GL Command Error Messages and Solutions

GRAPHTEC FC4200-50
106 pages
Print Icon
To Next Page IconTo Next Page
To Next Page IconTo Next Page
To Previous Page IconTo Previous Page
To Previous Page IconTo Previous Page
Loading...
FC4200-UM-251-03-9370 90
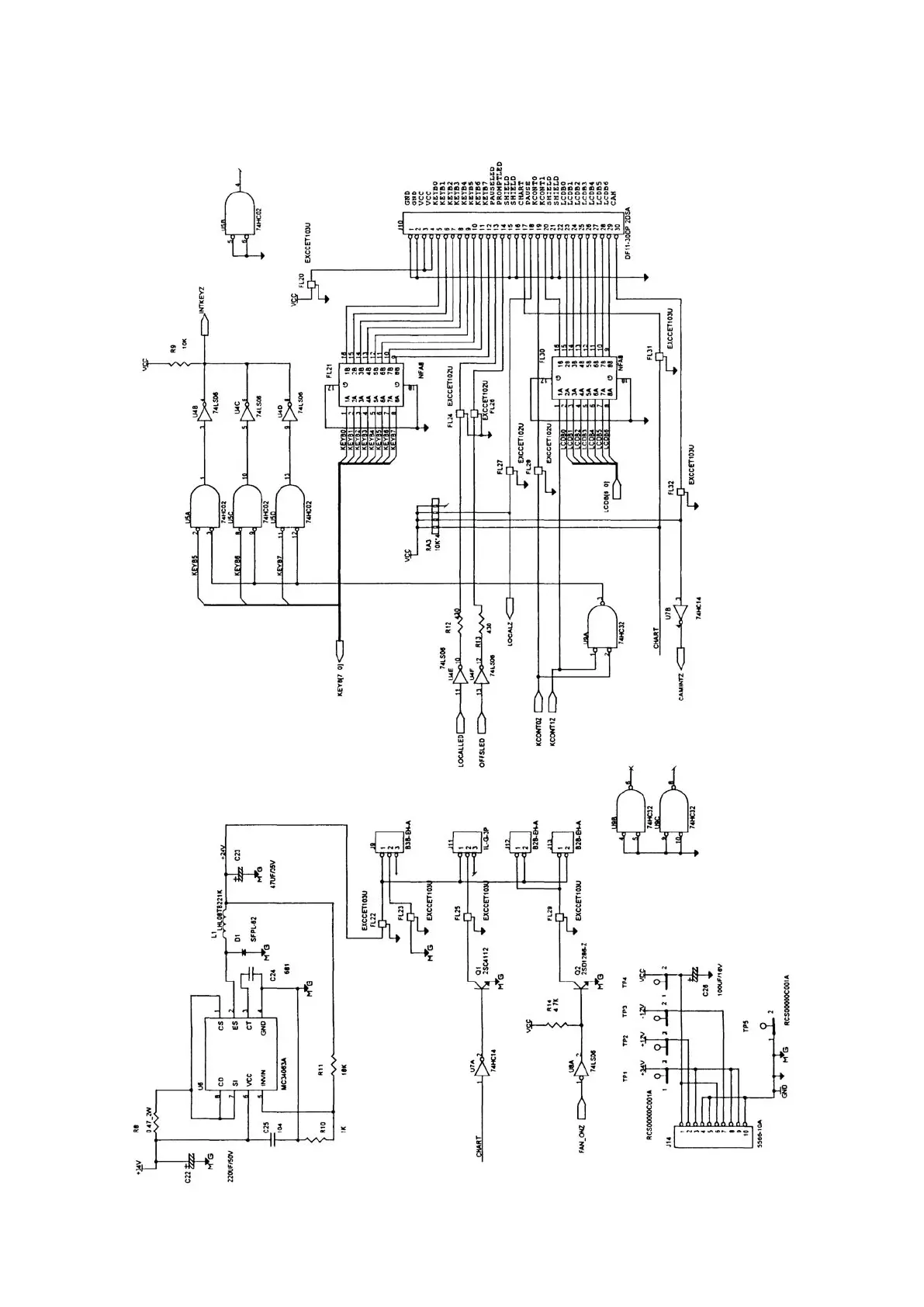
CIRCIT DIAGRAMS
Main Board (3/10)

Table of Contents

Other manuals for GRAPHTEC FC4200-50

Related product manuals