EasyManua.ls Logo

Gtec SATURN - Gebrauch; Beschreibung

Default Icon
Print Icon
To Next Page IconTo Next Page
To Next Page IconTo Next Page
To Previous Page IconTo Previous Page
To Previous Page IconTo Previous Page
Loading...
- 144 -
GEBRAUCH
BESCHREIBUNG
Unsere CPS-Serie wurde für eine einwandfreie Eignung in Notfallanlagen gemäß der Norm EN 50171 entwickelt.
Die Aufgabe einer CPS besteht darin, den an sie angeschlossenen Geräten eine perfekte Versorgungsspannung zu
gewährleisten, unabhängig davon, ob Netzspannung vorhanden ist oder nicht. Nach Anschluss und Speisung erzeugt
die CPS eine Sinus-Wechselspannung mit stabiler Amplitude und Frequenz, unabhängig von den im Stromnetz
auftretenden Schwankungen und/oder Veränderungen. Solange die CPS Netzspannung entnimmt, bleiben die vom
Multiprozessorboard kontrollierten Batterien geladen. Diese Karte kontrolliert kontinuierlich auch die Amplitude und die
Frequenz der Netzspannung, die Amplitude und die Frequenz der vom Inverter erzeugten Spannung, die angelegte Last,
die Innentemperatur, den Zustand der Batterieleistung.
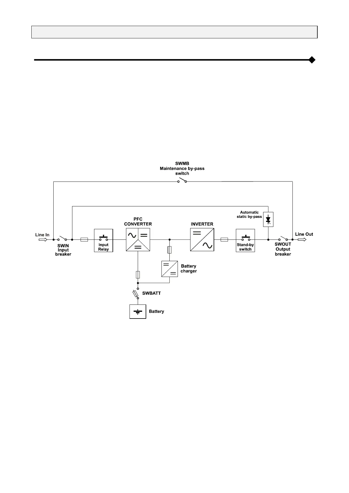
Unten ist das Blockschema der CPS dargestellt und die einzelnen Teile, aus denen es besteht, werden beschrieben.
Blockschema der CPS
WICHTIG: Unsere CPS wurden für eine lange Lebensdauer, auch unter den härtesten Betriebsbedingungen, konzipiert
und realisiert. Wir weisen allerdings daraufhin, dass es sich um Leistungselektrik handelt und deshalb regelmäßige
Kontrollen erforderlich sind. Außerdem haben einige Komponenten eine eigene Lebensdauer und müssen deshalb
regelmäßig kontrolliert und, wenn ihr Zustand es erforderlich macht, ggf. ersetzt werden; dies gilt besonders für die
Batterien, die Ventilatoren und in einigen Fällen für die elektrolytischen Kondensatoren.
Es empfiehlt sich deshalb die Verwirklichung eines Instandhaltungsprogramms, für das vom Hersteller autorisiertes
Fachpersonal zuständig sein sollte.
Unser Kundendienst steht Ihnen zur Verfügung, um Ihnen verschiedene personalisierte Optionen zur Instandhaltung
anzubieten.

Table of Contents

Other manuals for Gtec SATURN

Related product manuals