EasyManua.ls Logo

Gtec SATURN - Page 253

Default Icon
Print Icon
To Next Page IconTo Next Page
To Next Page IconTo Next Page
To Previous Page IconTo Previous Page
To Previous Page IconTo Previous Page
Loading...
- 253 -
CONEXIÓN DEL BYPASS DE MANTENIMIENTO REMOTO
Es posible instalar un bypass de mantenimiento adicional en un cuadro eléctrico periférico, por ejemplo, para permitir la
sustitución del CPS sin detener la alimentación de la carga.
Es totalmente necesario conectar el borne SERVICE BYPASS” (véase Vistas de las conexiones del
CPS” punto 17) al contacto auxiliar del interruptor SERVICE BYPASS. El cierre del interruptor de
SERVICE BYPASS (4) abre este contacto auxiliar que le indica al CPS que se ha introducido el bypass
para el mantenimiento. La ausencia de esta conexión puede provocar al CPS la interrupción de la
alimentación de la carga y daños.
NOTA: emplear cables de sección de acuerdo con lo descrito en “Sección de los cables”.
emplear cables de sección de 1mm
2
de doble aislamiento para la conexión del borne “SERVICE BYPASS” en
el contacto auxiliar del seccionador del bypass de mantenimiento remoto
En el caso que el CPS sea provisto de transformador de corriente constante al su interior, verificar
la compatibilidad entre el “Bypass de mantenimiento remoto” y el regimen de neutro en el
instalación eléctrica
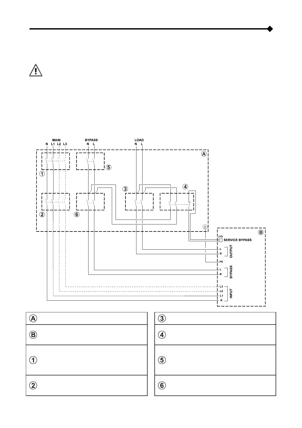
ESQUEMA DE INSTALACIÓN REMOTA DEL BYPASS DE MANTENIMIENTO
Cuadro eléctrico periférico
interruptor de SALIDA: seccionador de acuerdo con
lo descrito en “Protecciones internas del CPS”
Conexiones en el interior del CPS
interruptor de SERVICE BYPASS: seccionador de
acuerdo con lo descrito en “Protecciones internas
del CPS” equipado con un contacto auxiliar que
normalmente está cerrado
interruptor de LÍNEA: interruptor magnetotérmico,
debe corresponderse con lo descrito en
“Dispositivos de protección externos”.
NOTA: Para la instalación con entrada
monofásica utilizar un interruptor
magnetotérmico bipolar.
interruptor de LÍNEA BYPASS: interruptor
magnetotérmico, debe corresponderse con lo
descrito en “Dispositivos de protección externos”
interruptor de ENTRADA: seccionador de acuerdo
con lo descrito en “Protecciones internas del CPS”
NOTA: Para la instalación con entrada
monofásica utilizar un seccionador bipolar.
interruptor de ENTRADA BYPASS: seccionador de
acuerdo con lo descrito en “Protecciones internas
del CPS”

Table of Contents

Other manuals for Gtec SATURN

Related product manuals