EasyManua.ls Logo

HSD ES919 NC - Technical Specifications of ES915

Default Icon
98 pages
Print Icon
To Next Page IconTo Next Page
To Next Page IconTo Next Page
To Previous Page IconTo Previous Page
To Previous Page IconTo Previous Page
Loading...
______HSD Technological equipment for Automation _____________________________________
5801H0017 Rev. 02 _________________________________________________________ 14/98
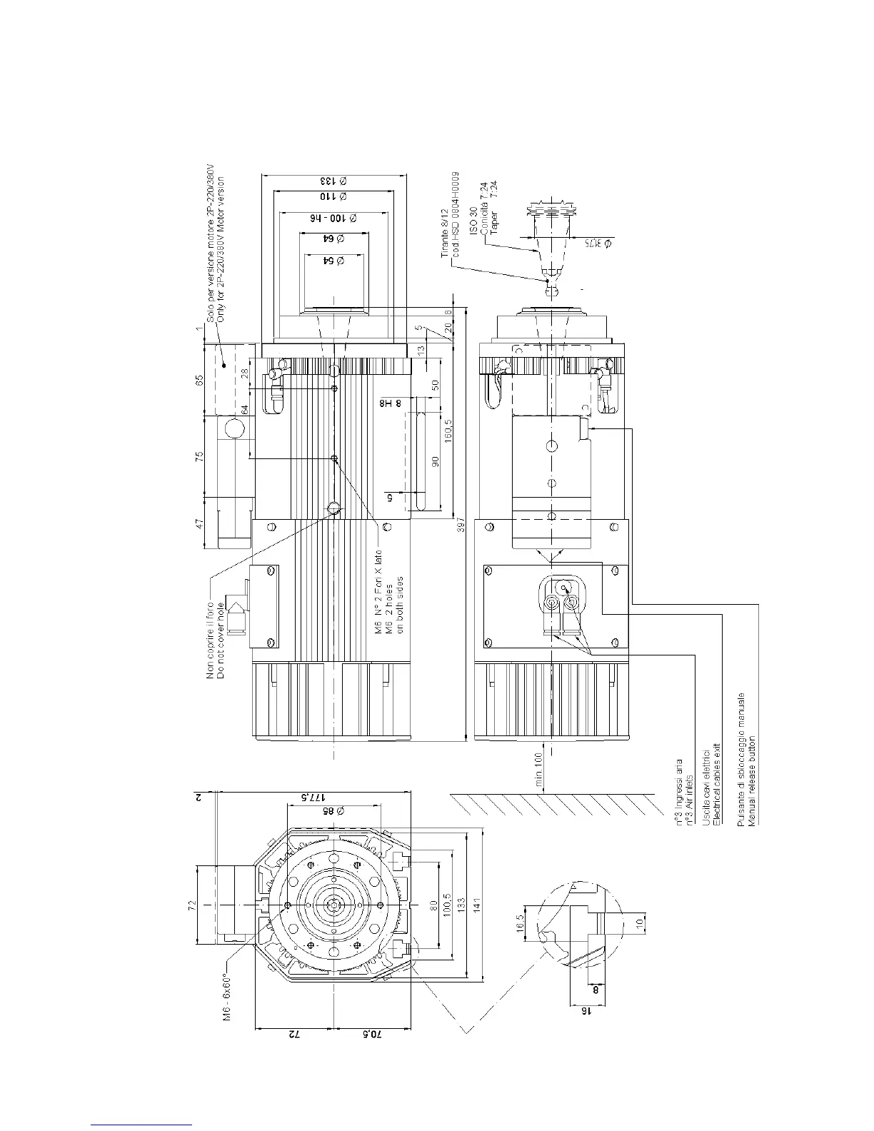
7.2 TECHNICAL SPECIFICATIONS OF ES915
7.2.1 Overall dimensions of ES915

Table of Contents