EasyManua.ls Logo

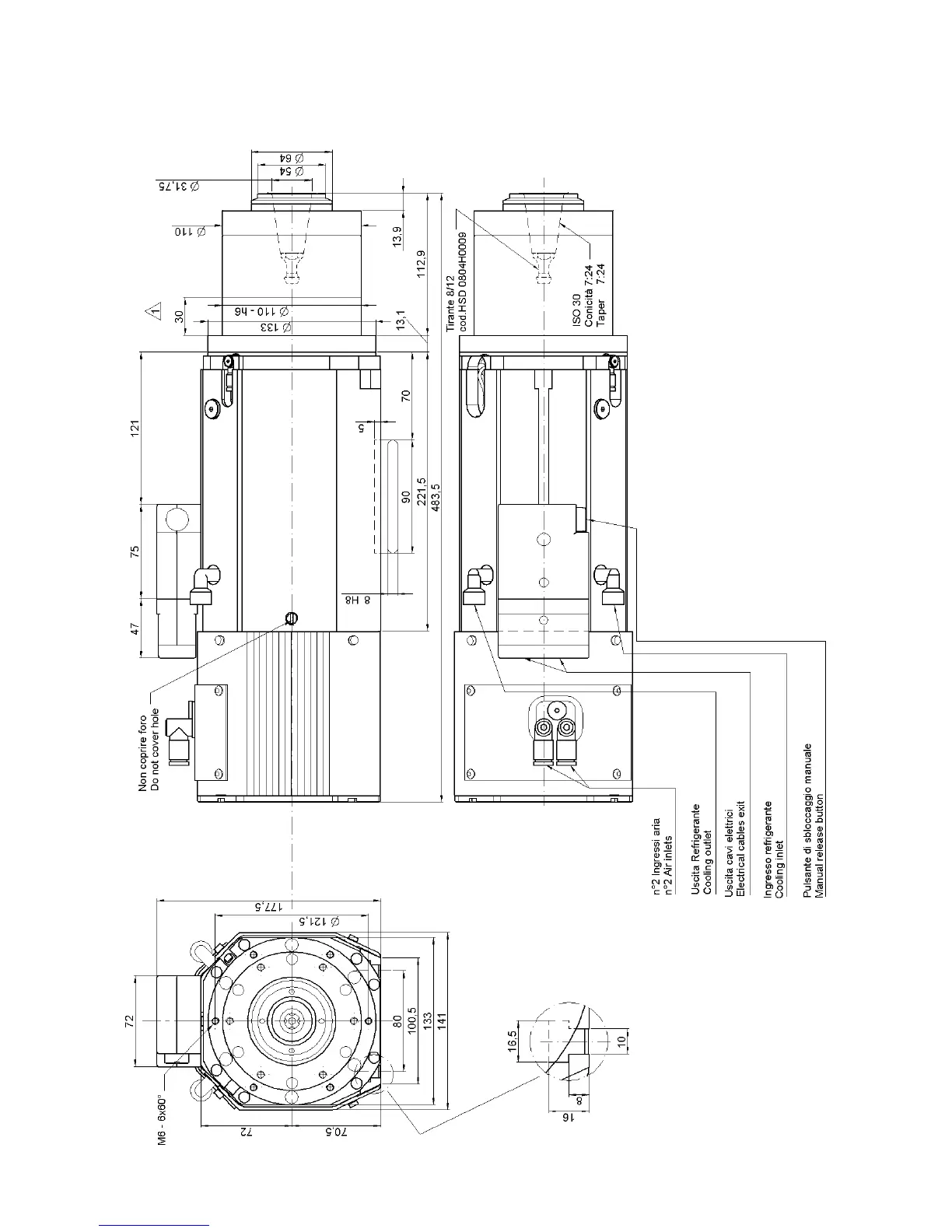
HSD ES919 NC - Overall Dimensions of ES919 L ISO30 Long Nose

Default Icon
98 pages
Print Icon
To Next Page IconTo Next Page
To Next Page IconTo Next Page
To Previous Page IconTo Previous Page
To Previous Page IconTo Previous Page
Loading...
______HSD Technological equipment for Automation _____________________________________
5801H0017 Rev. 02 _________________________________________________________ 28/98
7.5.2 Overall dimensions of ES919 L ISO30 Long Nose

Table of Contents