EasyManua.ls Logo

IDEC SmartRelay Series - Page 38

IDEC SmartRelay Series
297 pages
Print Icon
To Next Page IconTo Next Page
To Next Page IconTo Next Page
To Previous Page IconTo Previous Page
To Previous Page IconTo Previous Page
Loading...
IDEC SmartRelay installation and wiring
28
IDEC SmartRelay Manual
FL1B-J2B2
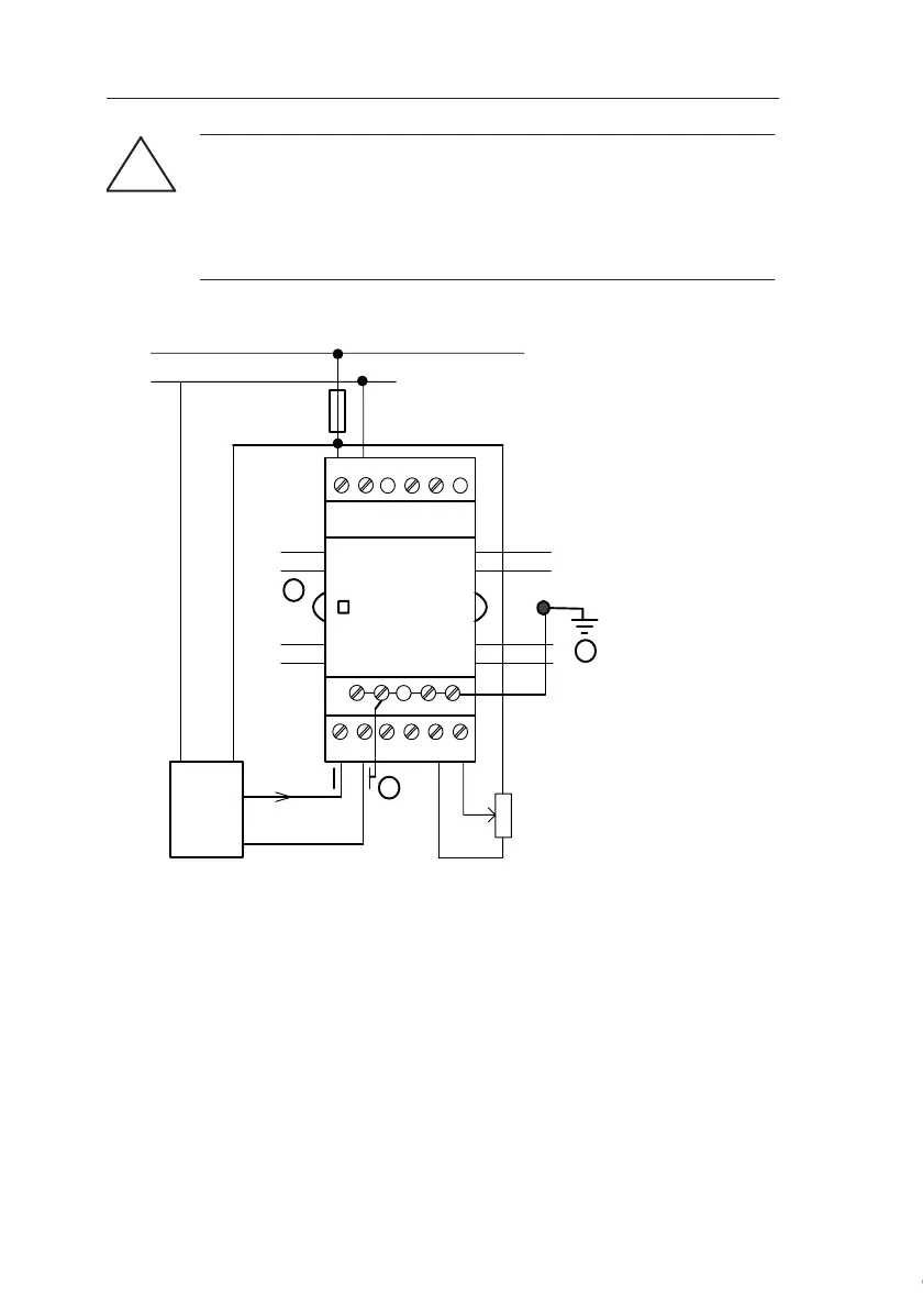
!
Warning
Current safety regulations (VDE 0110, ... and IEC 61131-2, ... as
well as cULus) do not permit the connection of different phases to
an AC input group (I1 to I4 or I5 to I8) or to the inputs of a digital
module.
ML+
L
M
U1 I2 M2 U2I1 M1
PE
L
+
M
1
2
3
RUN/STOP
M
ML+
PE
PE terminal for connect-
ing earth and the shield-
ing of the analog
measuring cable
Earth
Cable shielding
DIN rail
Reference
current
Current
0...20mA
Current measurement
Voltage measurement
Courtesy of Steven Engineering, Inc. ● 230 Ryan Way, South San Francisco, CA 94080-6370 ● General Inquiries: (800) 670-4183 ● www.stevenengineering.com

Table of Contents

Related product manuals