EasyManua.ls Logo

LeeBoy 8616B - Hydraulic Schematic Overview - Version A

LeeBoy 8616B
287 pages
Print Icon
To Next Page IconTo Next Page
To Next Page IconTo Next Page
To Previous Page IconTo Previous Page
To Previous Page IconTo Previous Page
Loading...
HYDRAULIC SCHEMATIC OVERVIEW - VERSION A
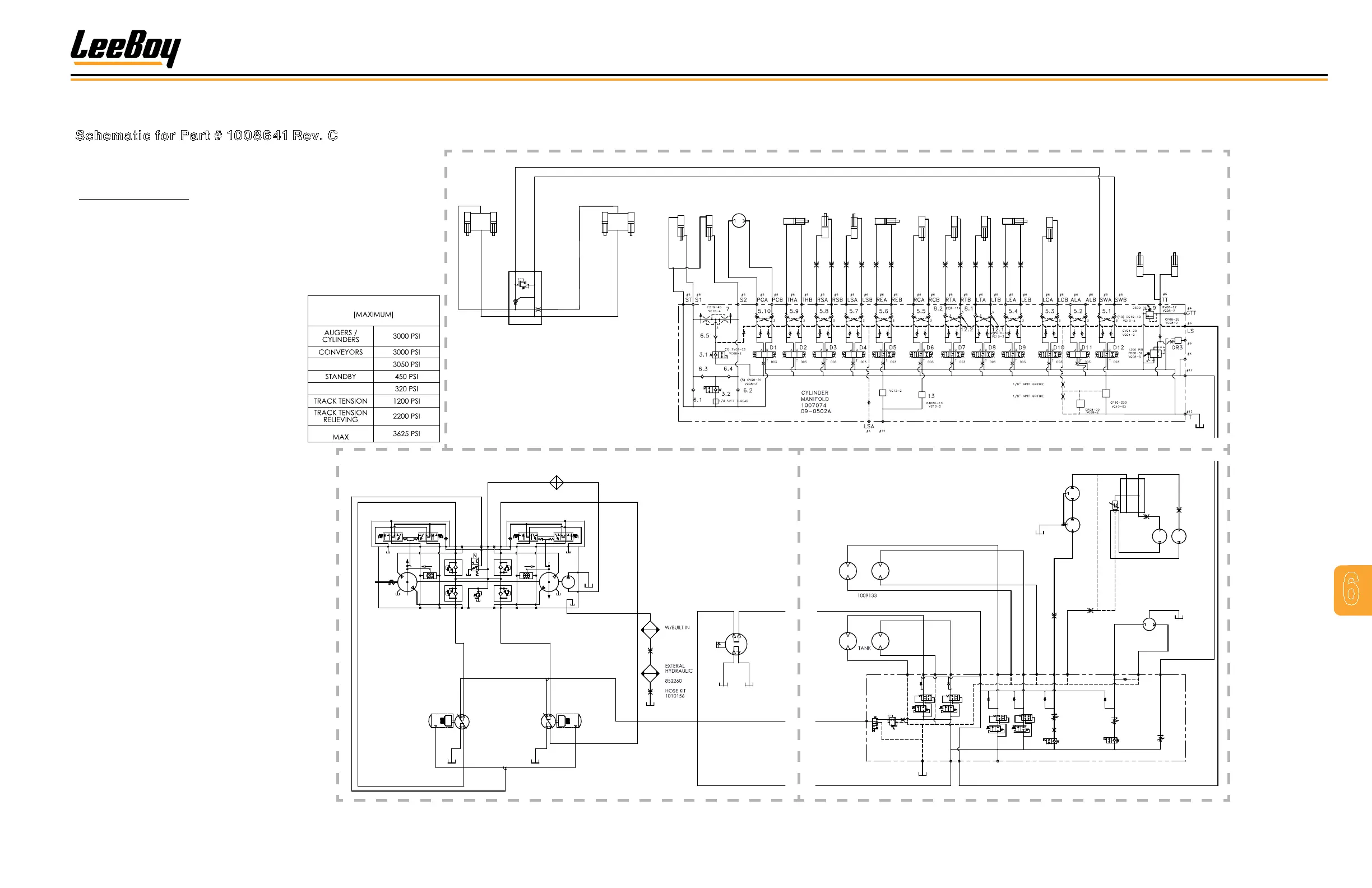
Schematic for Part # 1008641 Rev. C
1006956 PUMP,
LOAD SENSE
1011460
MOTOR, HYD DRIVE,
2 SPEED
3,000 PSI
1006974 TORQUE HUB,
79.74:1, W/BRAKE
1006952 PUMP, HYD,
SINGLE W/EDC, H1
BRAKE
PORT
1006974 TORQUE HUB,
79.74:1, W/BRAKE
BRAKE
PORT
981918 FILTER HEAD,
HYD CHARGE/RETURN
981917 FILTER ELEMENT, HYD CHARGE
77
11
2 5
LSP
S CD
4
3
2A
1A
50
2B
52
78
67
49
51
68
1B
6
X1
X1
A
A
B
L1
BL2
14
13
1
M14
C2
C1
FLOW OUT C
DMDEX7MAA
C2
M14
C1
L3
FLOW OUT A
CW
M5 M4 B MB M3 MC C M4 M5 L3
OIL COOLER
OIL COOLER
RADIATOR
OIL COOLER
03
02
01
NOTE:
(A) DRIVE HOSES GO TO BOTTOM
PORT ON PUMP
3
2B
2C
2D
3000
PSI
RIGHT
MAIN
VIBRATOR
MOTOR
1006955
LEFT
MAIN
VIBRATOR
MOTOR
1006955
LEFT
EXTENSION
VIBRATOR
1000059
RIGHT
EXTENSION
VIBRATOR
1000059
LINE GOES STRAIGHT
TO HOSE 72 IF NO
EXTENSION VIBRATORS
GENERATOR
MOTOR
1008513-02
JR075C
27 GPM @ 1400 RPM
39 GPM @ 2000 RPM
1009133
CONVEYOR MOTORS
1/16 NPTF ORIFICE
PLUG (0.110") DIA
BELOW SV2 VALVE
1/16 NPTF ORIFICE
PLUG (0.025") DIA
#8 #8 #8
VIBRATOR
69
70
44
72
71
73
73A
74A74
76A
75A
45
9
8
VT
V
46
54
47
G GT P2
GP
LS1
P1
7
T
TS
21
15.26 CIR
22
18
17
LCT LC RCT RC
15.26 CIR
15.26 CIR 15.26 CIR
23
20
24
19
RATRALATLS2 LA
CV1
FC1
SV3
FC2
6 GPM
1
2
CV10-20
18 GPM
FR12-23
SV12M-20-0-N-12ER VONBERG 2410-6
2
1
1
2
1
2
1
2
FC3
VONBERG 2610
8 GPM
1
2
1
2
OR2
1
2
SV08-20
SV2
8 GPM
1
2
8 GPM
1
2
11
2
2
PV3PV2
(4) PV72-20M-0-N-12DR
23
1
2
23
1
2
(6) CV04-20-0-N-5
11
PV4
PV1
1
2
2
1
3
3
PR1
SV1
PR08-32
SV08-30
AUGER/CONVEYOR MANIFOLD 1010518
#4
#20
#4 #4
#16
#4 #8 #8 #8 #8 #8 #8 #8
#12#12
#8
OR1
80
AUGER MOTORS
TOP
BOTTOM
SIDE
2
1A
3B
3C
3D
910122
MANIFOLD, HOPPER
WING SEQUENCE
LEFT
CUTOFF
LEFT
EXTENSION
LEFT
TOW
RIGHT
TOW
RIGHT
CUTOFF
RIGHT
EXTENSION
LEFT
SLOPE
RIGHT
SLOPE
TRUCK
HITCH
POWER CROWN
MOTOR
SCREED
LIFT
TRACK
TENSION
1200 PSI
2400 PSI RELIEF
CRR
CBRCBL
CRL
1500 PSI
BA
63B 63A
64
63
LEFT SIDEWING
64A64B
60
59
61A 61B
62B62A
62
61
RIGHT SIDEWING
ALL CYLINDERS 3000 PSI
33
34
35
36A
35A
38A
37A
3729
29A
30A
26
2528A
27A
2739
39A
40A
32A
31A
32
48A
48
65
66
40
58
56
57
55
43 42
15
53
7
2
2
1
1
2
2
1
P
4
1
2
2
1
1
2
1
2
2
1
2
1
2
1
1
2
4
2
1
P
22
11
2
14
P
2
11
2
4
P
4
22
2
1 1
1
4
GE
11
P
2
1
2
1
2
1
4
P
2
1
22
11
PLUG
PLUG
(2) 1/4-20
UNC ORIFICE
PLUG
P
4
1
2
1
2
2
2
1
1
1
2
P
1
2
11
2
2
1
2
P
22
11
4 4
P
OR2
OR1
1
2
22
11
P
2
1
2
11
2
1
2
P
2
4 1
2 2
1 1
4
4
2
4
1
10
2
1
GP
P
14
CP12-20
(1) 1/4-20
UNC ORIFICE
PLUG
(1) 1/4-20
UNC ORIFICE
PLUG
(1) 1/4-20
UNC ORIFICE
PLUG
(1) 1/4-20
UNC ORIFICE
PLUG
(1) 1/4-20
UNC ORIFICE
PLUG
(2) 1/4-20
UNC ORIFICE
PLUG
(1) 1/4-20
UNC ORIFICE
PLUG
31
40
28
30
38 36
MAIN MANIFOLD 1007074
1
2A
MACHINE MAIN PRESSURES
LOADSENSE
CHARGE
PROPEL RELIEF
Figure 6-17. Hydraulic Schematic Overview - Version A
IMPORTANT - applies only to units
with serial# 129706 & below
LeeBoy 8616B Conveyor Paver 6-35
Schematics
6

Table of Contents

Related product manuals