EasyManua.ls Logo

LeeBoy 8616B - Hydraulic Schematic Layout - Version a (3 of 3)

LeeBoy 8616B
287 pages
Print Icon
To Next Page IconTo Next Page
To Next Page IconTo Next Page
To Previous Page IconTo Previous Page
To Previous Page IconTo Previous Page
Loading...
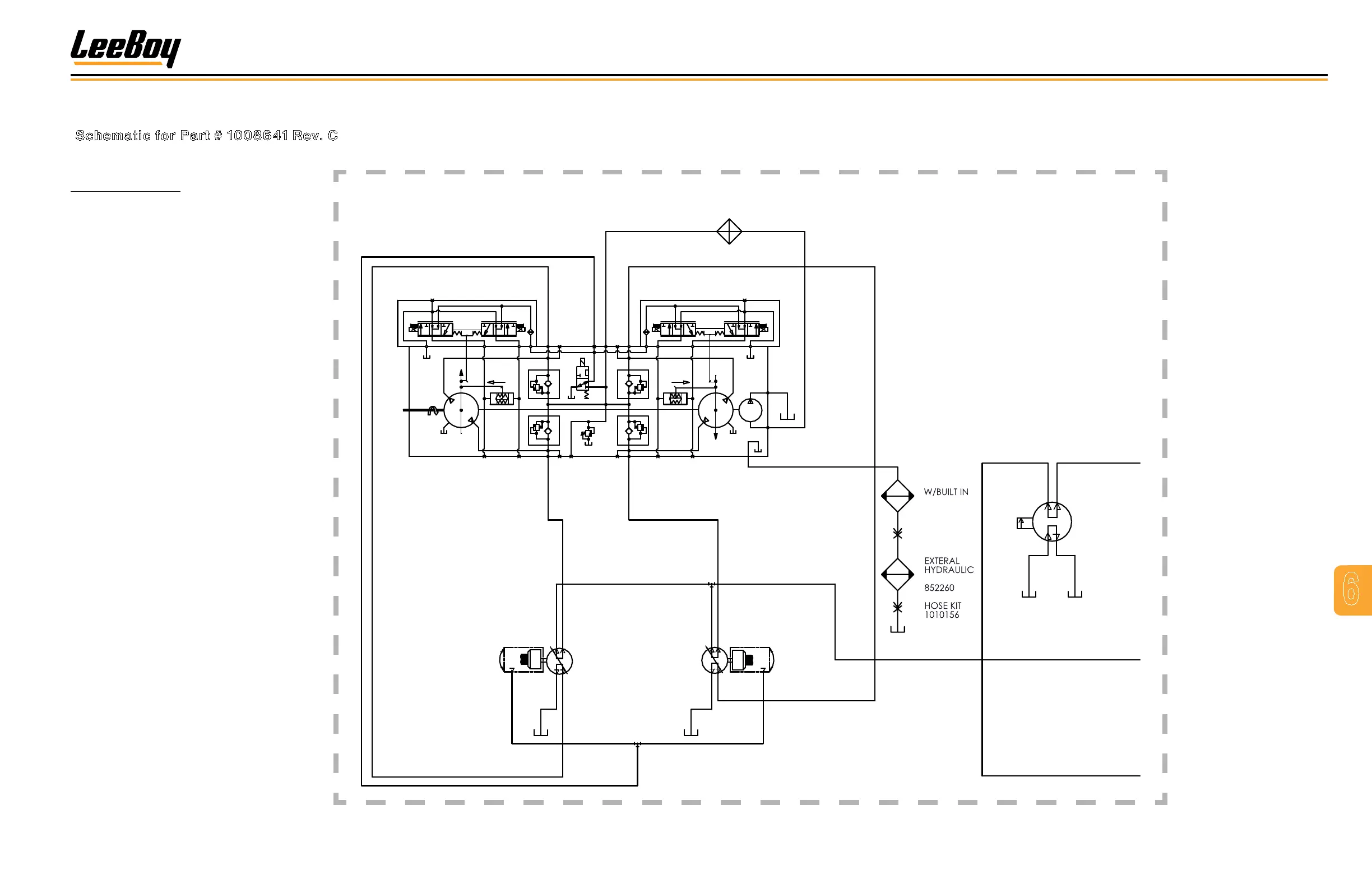
HYDRAULIC SCHEMATIC LAYOUT - VERSION A (3 OF 3)
Schematic for Part # 1008641 Rev. C
1006956 PUMP,
LOAD SENSE
1011460
MOTOR, HYD DRIVE,
2 SPEED
3,000 PSI
1006974 TORQUE HUB,
79.74:1, W/BRAKE
1006952 PUMP, HYD,
SINGLE W/EDC, H1
BRAKE
PORT
1006974 TORQUE HUB,
79.74:1, W/BRAKE
BRAKE
PORT
981918 FILTER HEAD,
HYD CHARGE/RETURN
981917 FILTER ELEMENT, HYD CHARGE
77
11
2 5
LSP
S CD
4
3
2A
1A
50
2B
52
78
67
49
51
68
1B
6
X1
X1
A
A
B
L1
BL2
14
13
1
M14
C2
C1
FLOW OUT C
DMDEX7MAA
C2
M14
C1
L3
FLOW OUT A
CW
M5 M4 B MB M3 MC C M4 M5 L3
OIL COOLER
OIL COOLER
RADIATOR
OIL COOLER
03
02
01
NOTE:
(A) DRIVE HOSES GO TO BOTTOM
PORT ON PUMP
3
2B
2C
2D
Figure 6-20. Hydraulic Schematic Layout - Version A (3 of 3)
IMPORTANT - applies
only to units with
serial# 129706 &
below
LeeBoy 8616B Conveyor Paver 6-41
Schematics
6

Table of Contents

Related product manuals