EasyManua.ls Logo

LeeBoy 8616B - Hydraulic Schematic Layout - Version a (2 of 3)

LeeBoy 8616B
287 pages
Print Icon
To Next Page IconTo Next Page
To Next Page IconTo Next Page
To Previous Page IconTo Previous Page
To Previous Page IconTo Previous Page
Loading...
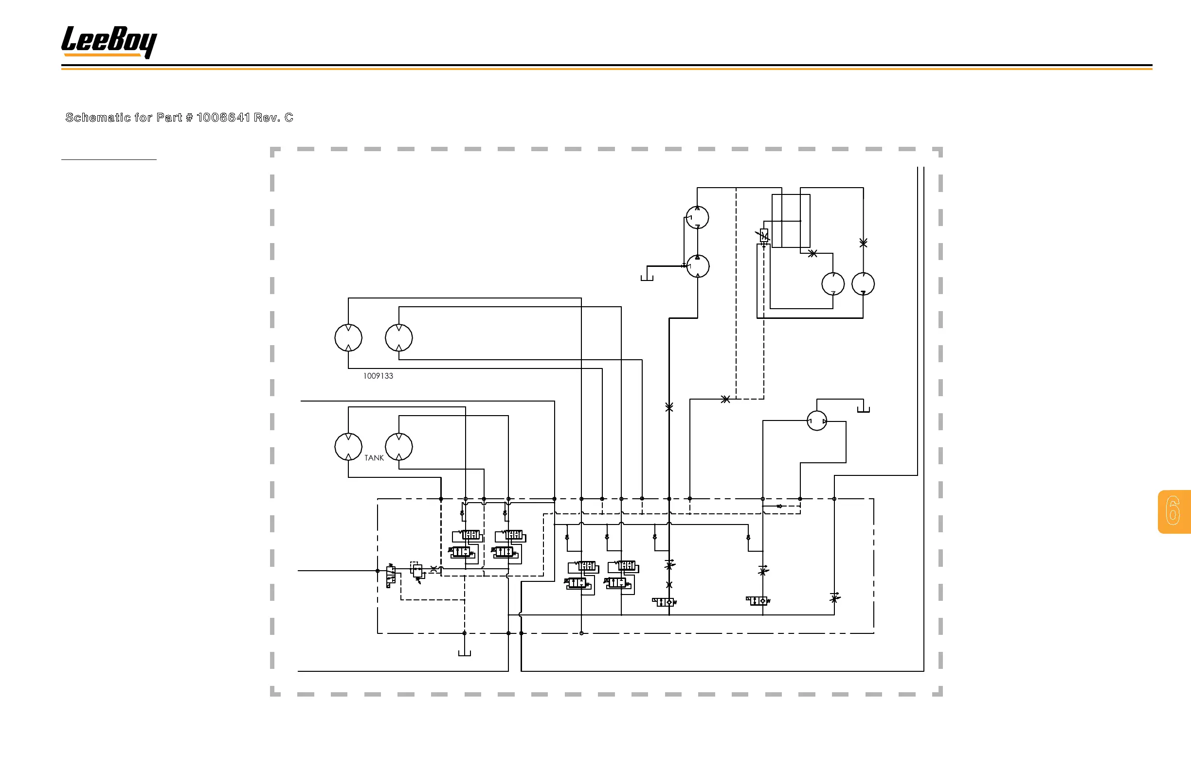
HYDRAULIC SCHEMATIC LAYOUT - VERSION A (2 OF 3)
Schematic for Part # 1008641 Rev. C
3000
PSI
RIGHT
MAIN
VIBRATOR
MOTOR
1006955
LEFT
MAIN
VIBRATOR
MOTOR
1006955
LEFT
EXTENSION
VIBRATOR
1000059
RIGHT
EXTENSION
VIBRATOR
1000059
LINE GOES STRAIGHT
TO HOSE 72 IF NO
EXTENSION VIBRATORS
GENERATOR
MOTOR
1008513-02
JR075C
27 GPM @ 1400 RPM
39 GPM @ 2000 RPM
1009133
CONVEYOR MOTORS
1/16 NPTF ORIFICE
PLUG (0.110") DIA
BELOW SV2 VALVE
1/16 NPTF ORIFICE
PLUG (0.025") DIA
#8 #8 #8
VIBRATOR
69
70
44
72
71
73
73A
74A74
76A
75A
45
9
8
VT
V
46
54
47
G GT P2
GP
LS1
P1
7
T
TS
21
15.26 CIR
22
18
17
LCT LC RCT RC
15.26 CIR
15.26 CIR 15.26 CIR
23
20
24
19
RATRALATLS2 LA
CV1
FC1
SV3
FC2
6 GPM
1
2
CV10-20
18 GPM
FR12-23
SV12M-20-0-N-12ER
VONBERG 2410-6
2
1
1
2
1
2
1
2
FC3
VONBERG 2610
8 GPM
1
2
1
2
OR2
1
2
SV08-20
SV2
8 GPM
1
2
8 GPM
1
2
11
2
2
PV3PV2
(4) PV72-20M-0-N-12DR
23
1
2
23
1
2
(6) CV04-20-0-N-5
11
PV4
PV1
1
2
2
1
3
3
PR1
SV1
PR08-32
SV08-30
AUGER/CONVEYOR MANIFOLD 1010518
#4
#20
#4 #4
#16
#4 #8 #8 #8 #8 #8 #8 #8
#12#12
#8
OR1
80
AUGER MOTORS
TOP
BOTTOM
SIDE
2
1A
3B
3C
3D
Figure 6-19. Hydraulic Schematic Layout - Version A (2 of3)
IMPORTANT - applies
only to units with
serial# 129706 &
below
LeeBoy 8616B Conveyor Paver 6-39
Schematics
6

Table of Contents

Related product manuals