EasyManua.ls Logo

LeeBoy 8616B - Electric Heat Control with 110 Outlet (Option)

LeeBoy 8616B
287 pages
Print Icon
To Next Page IconTo Next Page
To Next Page IconTo Next Page
To Previous Page IconTo Previous Page
To Previous Page IconTo Previous Page
Loading...
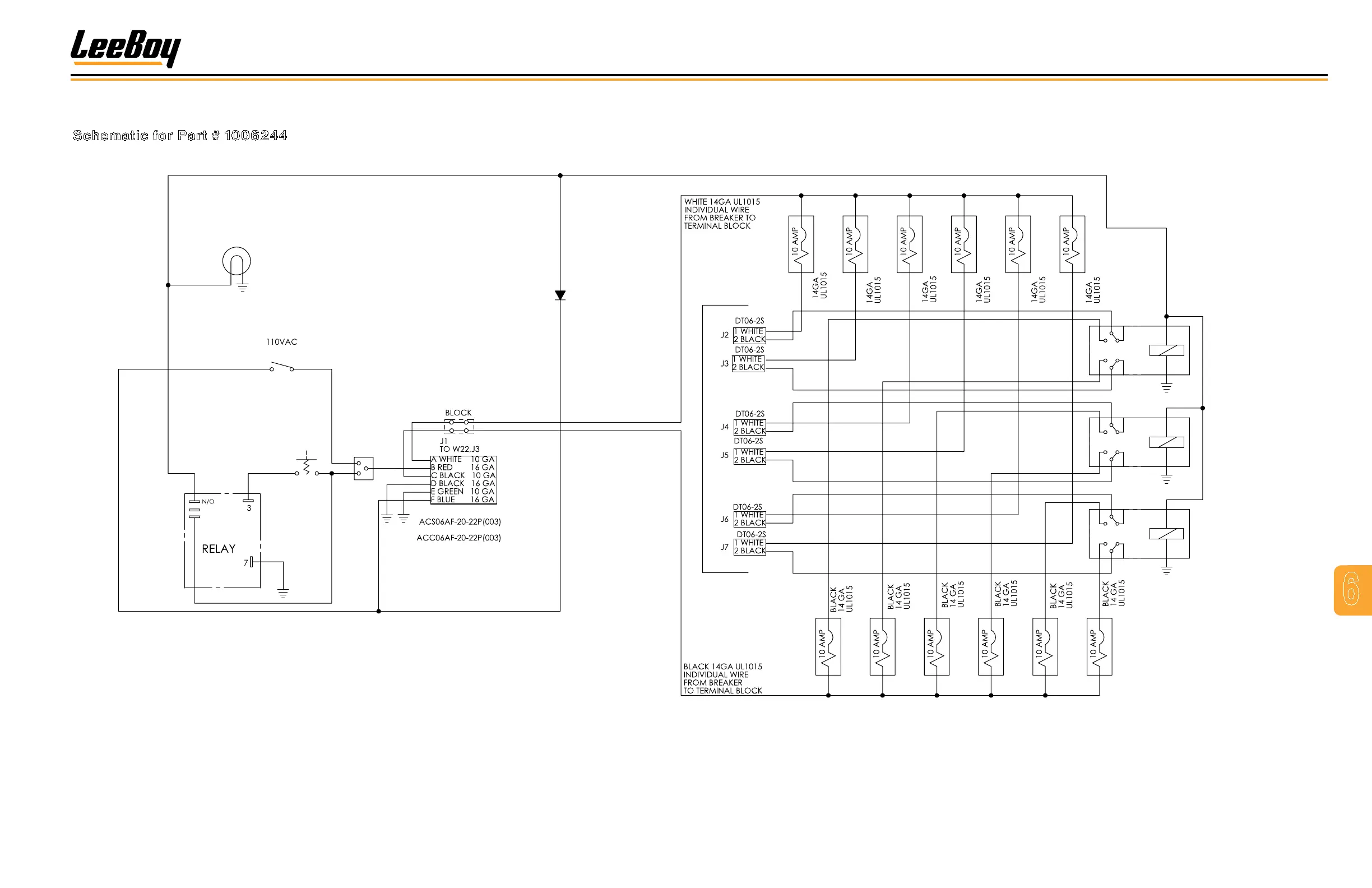
ELECTRIC HEAT CONTROL WITH 110 OUTLET (OPTION)
Schematic for Part # 1006244
Figure 6-26. Electric Heat Control with 110 Outlet (Option)
COM
WHITE
TERMINAL
AMPHENOL
OR
TO HEATER
ELEMENTS
OUTLET
WHITE
WHITE
WHITE
WHITE
WHITE
TIMER
HEAT ON
POWER
INITIATE
LeeBoy 8616B Conveyor Paver 6-53
Schematics
6

Table of Contents

Related product manuals