EasyManua.ls Logo

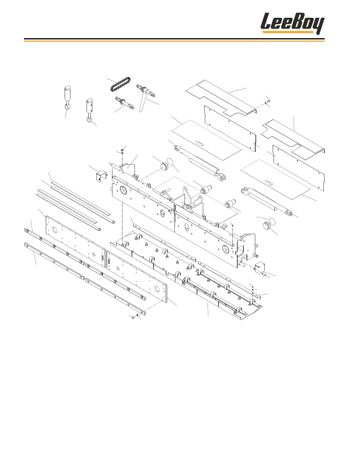
LeeBoy 8616B - Screed Frame Assembly - Electric

LeeBoy 8616B
287 pages
Print Icon
To Next Page IconTo Next Page
To Next Page IconTo Next Page
To Previous Page IconTo Previous Page
To Previous Page IconTo Previous Page
Loading...
SCREED FRAME ASSEMBLY - ELECTRIC
3
23
2
23
18
19
20
17
22
6
5
2425
27
32
26
31
30
11
12
13
8
7
8
7
17
21
6
1
34
33
5
29
28
11
9
10
14
15
16
4
Figure 7-19. Screed Frame Assembly - Electric
Illustrated Parts List
LeeBoy 8616B Conveyor Paver7-44

Table of Contents

Related product manuals