EasyManua.ls Logo

LeeBoy 8616B - Hydraulic Schematic Layout - Version B (1 of 3)

LeeBoy 8616B
287 pages
Print Icon
To Next Page IconTo Next Page
To Next Page IconTo Next Page
To Previous Page IconTo Previous Page
To Previous Page IconTo Previous Page
Loading...
HYDRAULIC SCHEMATIC LAYOUT - VERSION B (1 OF 3)
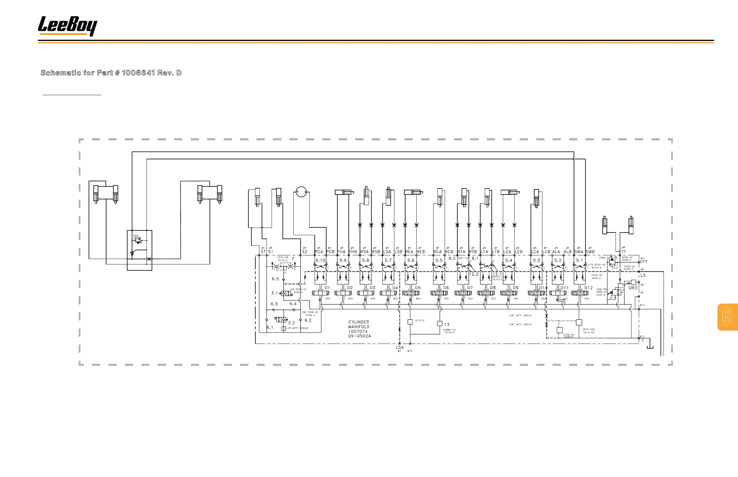
Schematic for Part # 1008641 Rev. D
Figure 6-22. Hydraulic Schematic Layout - Version A (1 of 3)
910122
MANIFOLD, HOPPER
WING SEQUENCE
LEFT
CUTOFF
LEFT
EXTENSION
LEFT
TOW
RIGHT
TOW
RIGHT
CUTOFF
RIGHT
EXTENSION
LEFT
SLOPE
RIGHT
SLOPE
TRUCK
HITCH
POWER CROWN
MOTOR
SCREED
LIFT
TRACK
TENSION
1200 PSI
2400 PSI RELIEF
CRR
CBRCBL
CRL
1500 PSI
BA
63B 63A
64
63
LEFT SIDEWING
64A64B
60
59
61A 61B
62B62A
62
61
RIGHT SIDEWING
ALL CYLINDERS 3000 PSI
33
34
35
36A
35A
38A
37A
3729
29A
30A
26
2528A
27A
2739
39A
40A
32A
31A
32
48A
48
65
66
40
58
56
57
55
43 42
15
53
7
2
2
1
1
2
2
1
P
4
1
2
2
1
1
2
1
2
2
1
2
1
2
1
1
2
4
2
1
P
22
11
2
14
P
2
11
2
4
P
4
22
2
1 1
1
4
GE
11
P
2
1
2
1
2
1
4
P
2
1
22
11
PLUG
PLUG
(2) 1/4-20
UNC ORIFICE
PLUG
P
4
1
2
1
2
2
2
1
1
1
2
P
1
2
11
2
2
1
2
P
22
11
4 4
P
OR2
OR1
1
2
22
11
P
2
1
2
11
2
1
2
P
2
4 1
2 2
1 1
4
4
2
4
1
10
2
1
GP
P
14
CP12-20
(1) 1/4-20
UNC ORIFICE
PLUG
(1) 1/4-20
UNC ORIFICE
PLUG
(1) 1/4-20
UNC ORIFICE
PLUG
(1) 1/4-20
UNC ORIFICE
PLUG
(1) 1/4-20
UNC ORIFICE
PLUG
(2) 1/4-20
UNC ORIFICE
PLUG
(1) 1/4-20
UNC ORIFICE
PLUG
31
40
28
30
38 36
MAIN MANIFOLD 1007074
1
2A
IMPORTANT - applies
only to units with
serial# 129707 &
Above
LeeBoy 8616B Conveyor Paver 6-45
Schematics
6

Table of Contents

Related product manuals