EasyManua.ls Logo

Matrix Vision mvBlueFOX3 - Page 229

Matrix Vision mvBlueFOX3
365 pages
Print Icon
To Next Page IconTo Next Page
To Next Page IconTo Next Page
To Previous Page IconTo Previous Page
To Previous Page IconTo Previous Page
Loading...
218 CONTENTS
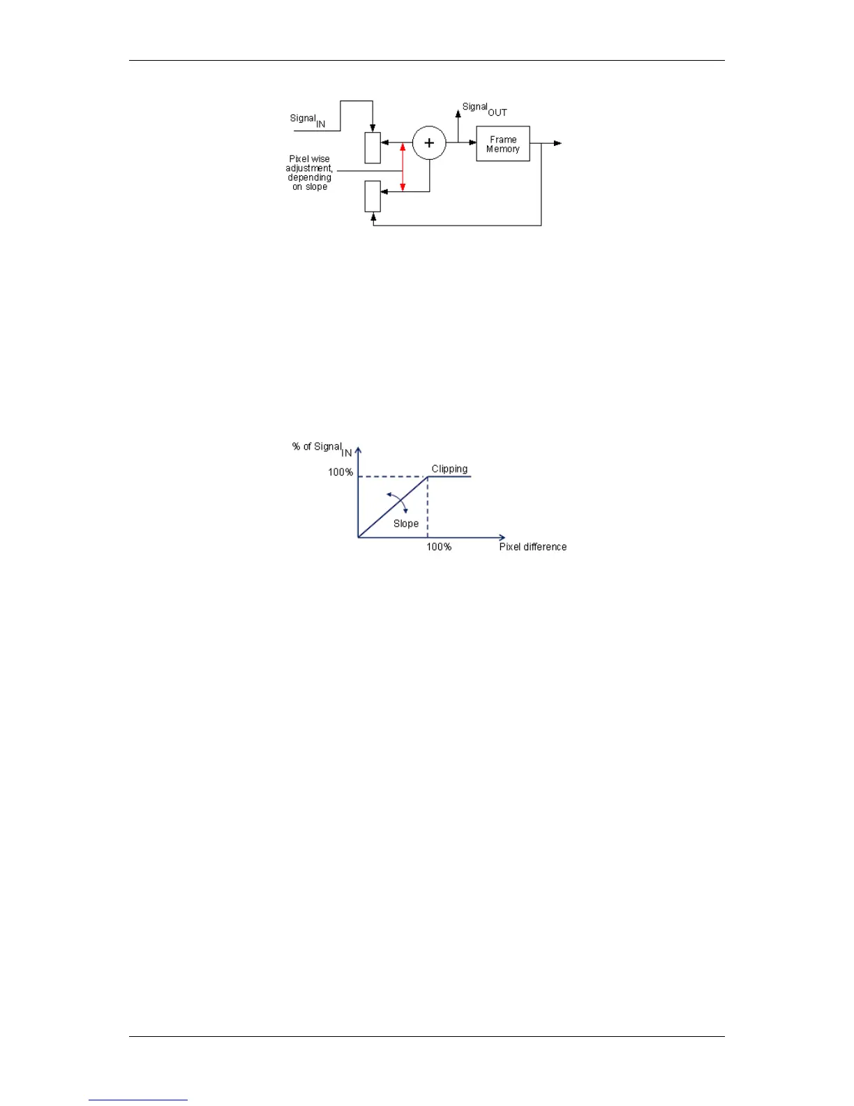
Figure 2: Frame average: Functional principle
This method is well known and is used in the same or a similar way in all flat screen televisions. The amount of de-
noising can be set with the slope factor: the smaller the value, the greater the feedback and therefore the de-noising
but also the motion blur in the image:
Slope: 256 = 100 % pixel_difference = 100 % signal_in
Figure 3: Frame average: Slope
There are no delays with this option because de-noising is recursive and the Signal
OUT
is extracted before the frame
memory.
20.3.3.3.1 Using wxPropView
Using the frame average mode "mvDynamic", you have to do the following step:
1. Start wxPropView (p. 74) and
2. connect to the camera.
3. Then specify in "Setting -> Base -> Camera -> GenICam -> Device Control" which processing unit of the
camera should do the frame averaging, e.g. unit 0 should do the frame averaging
"mv Device Processing Unit Selector = 0"
"mv Device Processing Unit = mvFrameAverage".
Afterwards, "mv Frame Average Control" is available.
4. Now open "Setting -> Base -> Camera -> GenICam -> mv Frame Average Control" and
5. select "mv Frame Average Mode = mvDynamic".
6. Set the slope, e.g. 5000: "mv Frame Average Slope = 5000".
7. Activate frame averaging by setting "mv Frame Average Enable = 1".
MATRIX VISION GmbH

Table of Contents