EasyManua.ls Logo

Motion Control Engineering Nidec iControl - Page 289

Default Icon
453 pages
Print Icon
To Next Page IconTo Next Page
To Next Page IconTo Next Page
To Previous Page IconTo Previous Page
To Previous Page IconTo Previous Page
Loading...
6-104 Manual # 42-02-2223
Troubleshooting
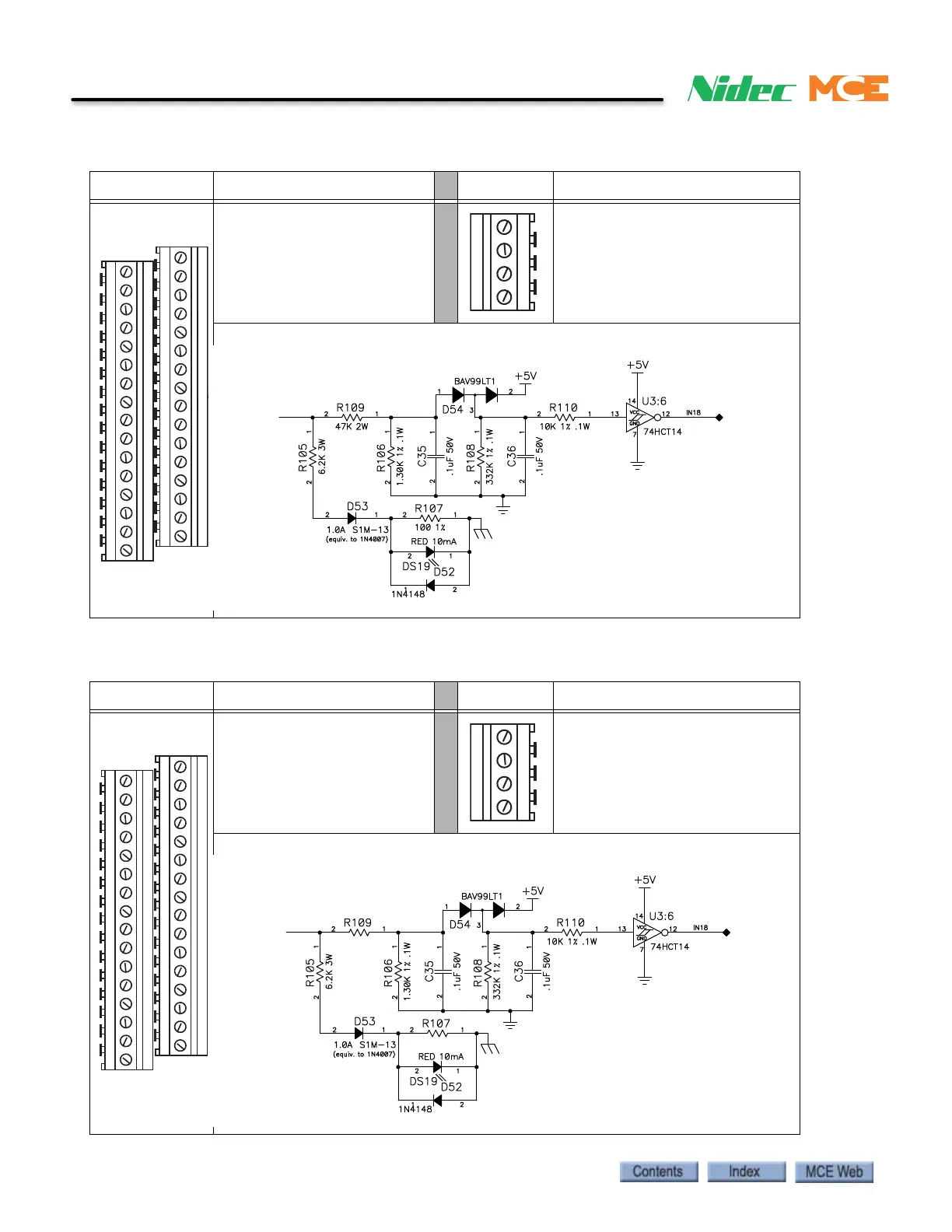
Table 6.15 ICE-MIAC Board Connections
Connector Signal Connector Signal
Orange Terminals
Inputs 1 - 32
120VAC = input active
1: Common
Typical Input Circuit
Table 6.16 ICE-MIAC-24V Board Connections
Connector Signal Connector Signal
Blue Terminals
Inputs 1 - 32
24V AC or DC = input active
Caution! Connecting 120V
to these terminals will
damage the board.
1: Common
Typical Input Circuit
Orange
Orange
LST 670LST 670
Blue
Blue
LST 670LST 670
8.2K
2.21K

Table of Contents

Related product manuals