EasyManua.ls Logo

NEC NEAX 2000 IPS - Sample Data Programming for Closed Numbering System

NEC NEAX 2000 IPS
448 pages
Print Icon
To Next Page IconTo Next Page
To Next Page IconTo Next Page
To Previous Page IconTo Previous Page
To Previous Page IconTo Previous Page
Loading...
CHAPTER 3 SYSTEM DATA PROGRAMMING
– 119 – NWA-008853-001 Rev.3.0
97ch3001.fm
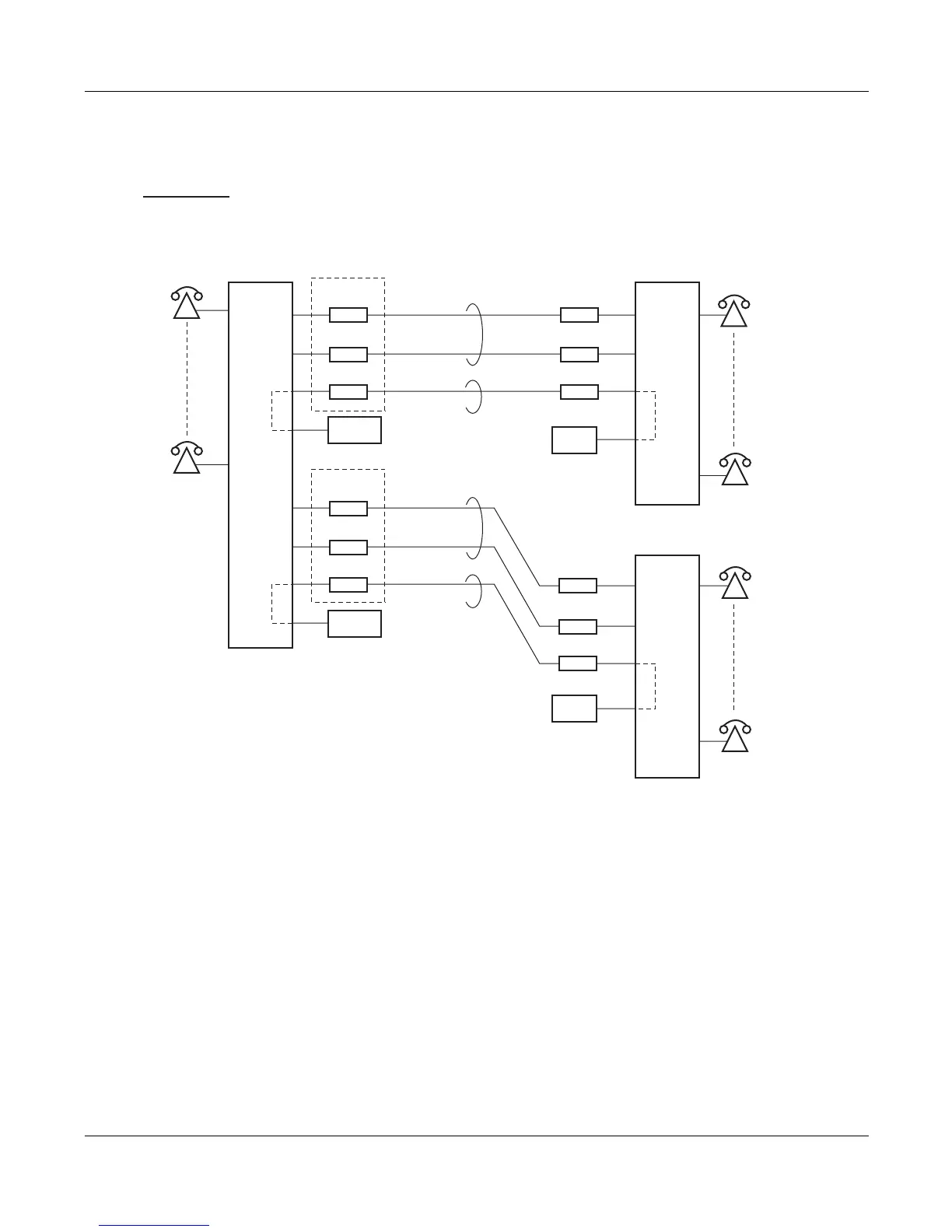
Sample Data Programming for Closed Numbering System
EXAMPLE
OFFICE A PC: 00001
OFFICE NO.: 21
21xx
OFFICE B PC: 00010
OFFICE NO.: 22
DTI0
TRK000
TRK001
TRK002
CCH0
DTI1
TRK003
TRK004
TRK005
CCH1
CIC=1
CIC=2
CIC=1
CIC=2
RT10
RT11
RT12
RT13
CIC=1
CIC=2
CCH
CIC=1
CIC=2
CCH
22xx
OFFICE C
25xx
PC: 00020
OFFICE NO .: 25
CONDITIONS:
.
Closed Numbering (4-digit Station No.)
.
Centralized Billing: Not provided
.
AP No. of DTI, CCH on OFFICE A:
DTI0 : 04
DTI1 : 05
CCH0: 06
CCH1: 07
DIGITAL CCIS PROGRAMMING

Table of Contents

Other manuals for NEC NEAX 2000 IPS

Related product manuals