EasyManua.ls Logo

Printronix P5000 - Power Distribution Diagram

Printronix P5000
406 pages
Print Icon
To Next Page IconTo Next Page
To Next Page IconTo Next Page
To Previous Page IconTo Previous Page
To Previous Page IconTo Previous Page
Loading...
274
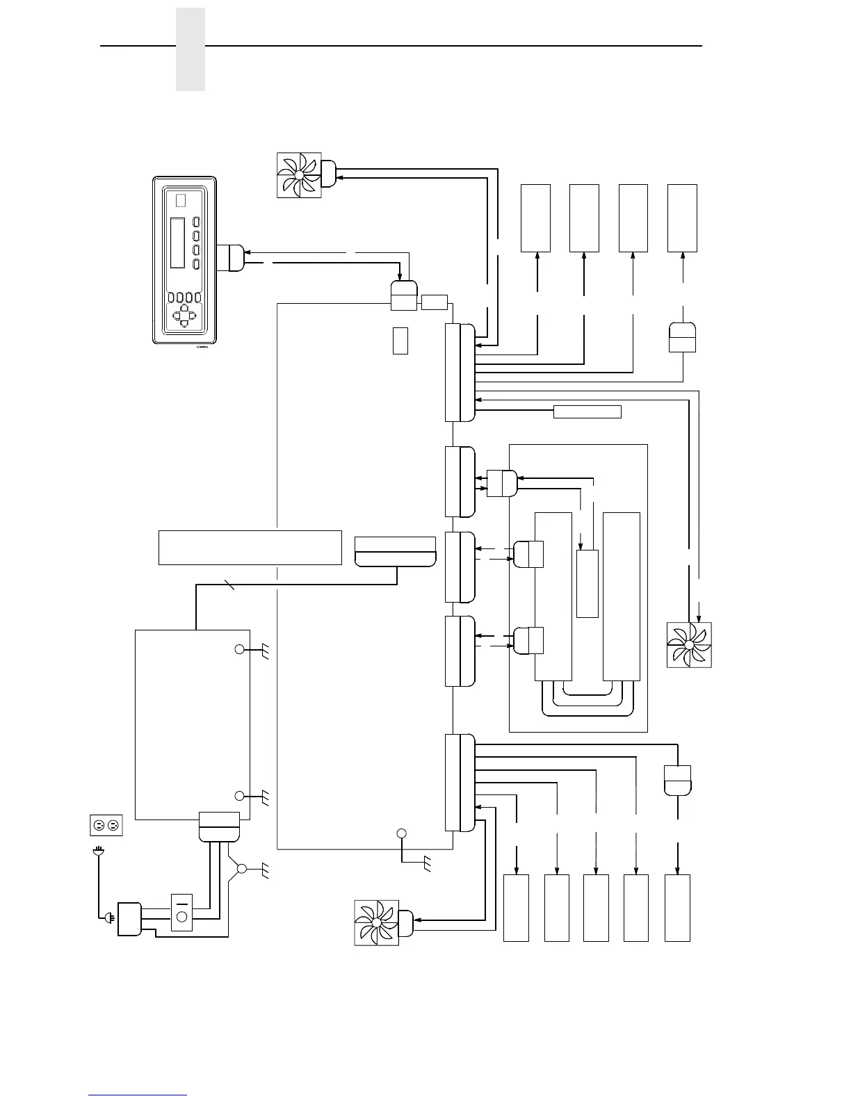
Appendix A
Power Distribution Diagram
1
2
3
4
5
6
7
8
9
10
11
12
12
J301
AC Power
CIRCUIT
BREAKER
IEC 320
AC POWER
CONNECTOR
On/Off Switch
P1
J1 AC
AC to DC
Power Supply Board
Card Cage Fan
P306
Controller Board
J106 MSL
P106 MSL
J108 HLP
P108 HLP
J105 HBP
P105 HBP
J116 SMD
P116 SMD
J107 MSR
P107 MSR
J06
P06
Paper Feed
Motor
Platen Open
Switch
Right Ribbon
Guide
Right Ribbon
Motor
Left Ribbon
Motor
Left Ribbon
Guide
Paper Out
Detector
Paper Motion
Detector
Motor
Platen
J06
Jumper Wire
J02
Shuttle Motor
Hammer Bank Board
Terminator Board
P05
P04
Hammer Bank Fan
P06
P02
J04
J05
Control Panel Assembly
J102
+5V Remote
J110
Power
Exhaust
*Cabinet
J310
P310
Fan*
Models
Only
P110
Stacker
J17
Shuttle
Assembly
N TEMP HI*
* V3.5 Board Pin 1 = N TEMP HI
V4 Board Pin 1 = N AC FAIL
N STBY
+5V
+5V
+5V RET / LOGIC GND
+5V RET / LOGIC GND
+5V RET / LOGIC GND
+5V RET / LOGIC GND
+8.5V
+8.5V
+48V
+48V
Ret
+5V
Ret
+48V
+5V
+5V
+48V
+48V
Ret
+24V
P101
P101
J101 DC Power
Ret
+48V
Ret
+8.5/+48V
Ret
+8.5V
+5V
+5V
+48V
+48V
+5V
P307
Line 1
Line 2 / Neutral
CHASSIS
GND

Table of Contents

Other manuals for Printronix P5000

Related product manuals