EasyManua.ls Logo

Printronix P5000 - Page 279

Printronix P5000
406 pages
Print Icon
To Next Page IconTo Next Page
To Next Page IconTo Next Page
To Previous Page IconTo Previous Page
To Previous Page IconTo Previous Page
Loading...
279
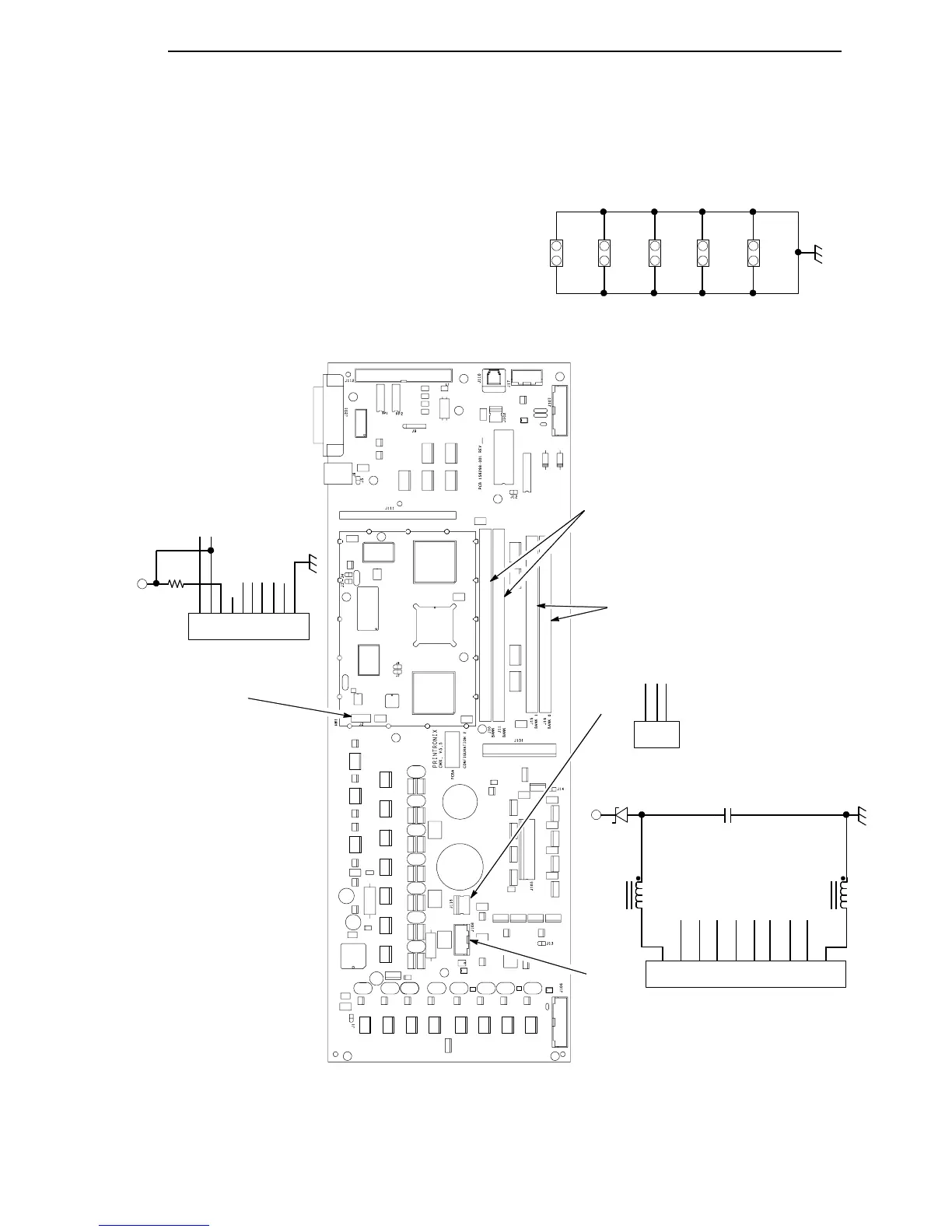
CMX Controller Board (continued)
J1
J13
J12
J14
J5
2-PIN JUMPER
2-PIN JUMPER
2-PIN JUMPER
2-PIN JUMPER
2-PIN JUMPER
1
2
3
4
5
6
7
8
EC DB TXD
9
10
J2
EC DB RXD
FT EVENT
MPU OUT
SHUT DIR
NC
PPR TRIG
EC Diagnostics
PPR MOVING
VCC
1
2
3
SHUT A
J116
Shuttle Motor
SHUT B
SHUT C
1
2
3
4
5
6
7
8
9
10
J108
Hammer Bank Logic
HMR DAT
HMR DAT RET
HMR CLK
HMR CLK RET
CMD DAT
CMD DAT RET
CMD CLK
CMD CLK RET
TOROID
50 MHz
TOROID
50 MHz
+
1
5
V
0.01 mF
10%
50V
4.7V
3.0W
DRAM: 72-pin SIMM
J15 = Bank 1
J16 = Bank 0
(See page 187.)
Flash: 80-pin SIMM
J10 = Bank 1
J11 = Bank 0
(See page 187.)
10K
1%
0.1W
CAUTION: Do not remove or replace the
NVRAM. The NVRAM contains a lithium
battery that can explode if it is replaced
incorrectly. NVRAM is replaced only at the
factory.

Table of Contents

Other manuals for Printronix P5000

Related product manuals