EasyManua.ls Logo

Printronix P5000 - Page 335

Printronix P5000
406 pages
Print Icon
To Next Page IconTo Next Page
To Next Page IconTo Next Page
To Previous Page IconTo Previous Page
To Previous Page IconTo Previous Page
Loading...
335
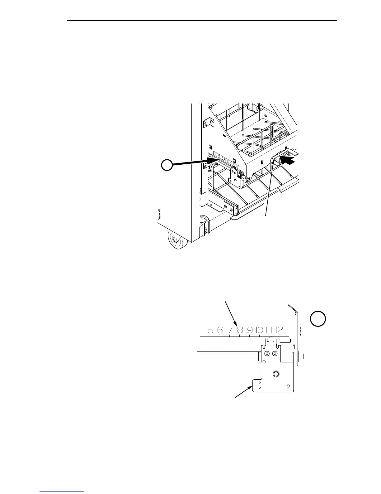
5. Push or pull the paddle shaft towards the front or the rear of the printer to
set the desired paper length. Align the indicator notch on the bearing
bracket with the paper length indicator. The power stacker can handle
paper or forms from five to 12 inches long. (Figure 61.)
Figure 61. The Paper Length Indicator
A
A
Paddle Shaft
Bearing Bracket
Paper Length Indicator

Table of Contents

Other manuals for Printronix P5000

Related product manuals