EasyManua.ls Logo

R2Sonic 2026 - 13.5 SIM Installation - ROV

R2Sonic 2026
254 pages
Print Icon
To Next Page IconTo Next Page
To Next Page IconTo Next Page
To Previous Page IconTo Previous Page
To Previous Page IconTo Previous Page
Loading...
Page 193 of 254
Version
6.3
Rev
r012
Date
05-11-2022
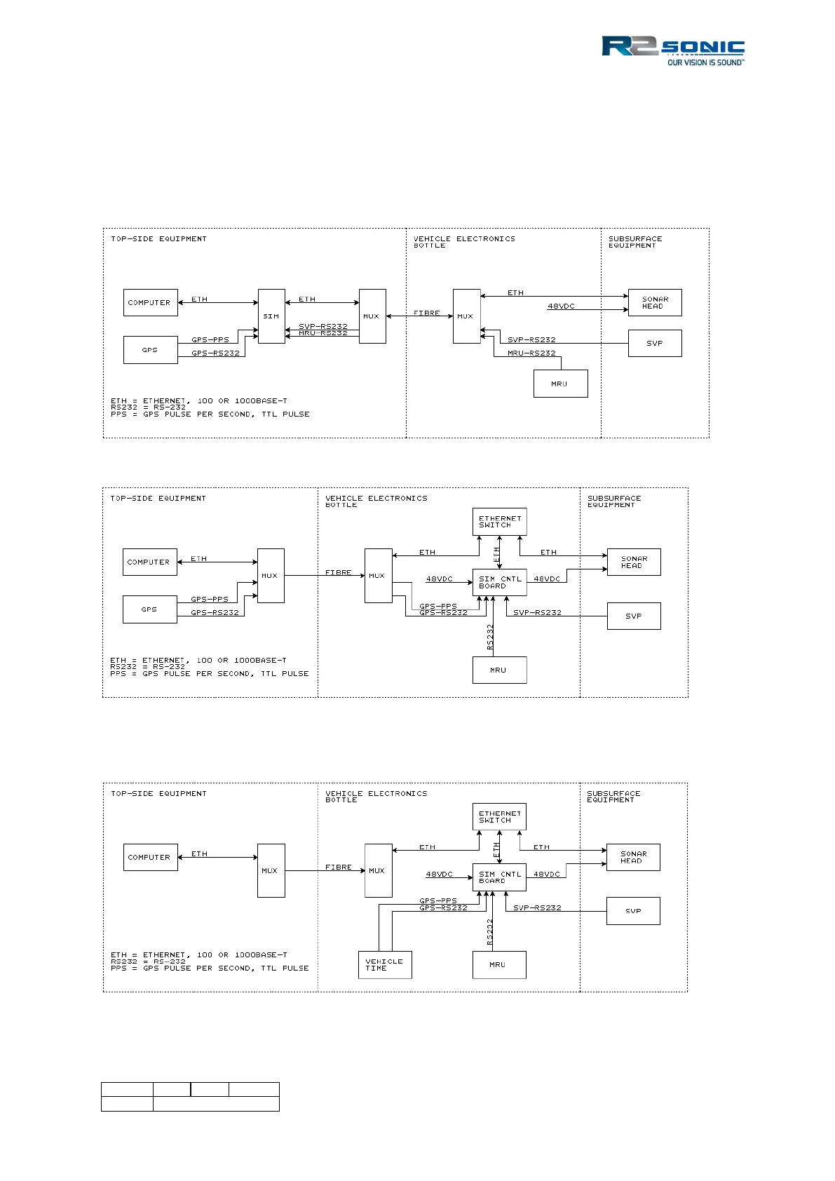
13.5 SIM Installation ROV
The SIM can be installed on either the top-side or in the vehicle. There are advantages to both
methods which depend on the multiplexer capabilities. For SIM installation in the vehicle, the SIM
Controller board may be removed from the SIM or supplied as an additional item. The SIM
controller board uses a PC/104 size format but does not use the PC/104 bus.
Figure 199: ROV installation block diagram with the SIM top-side
Figure 200: ROV installation block diagram with the SIM Stack time from a top-side source.
And GPS (ZDA or UTC formats) and PPS signals are supplied by top-side equipment
Figure 201: ROV installation block diagram with the SIM Stack time from vehicle time.
And GPS (ZDA or UTC formats) and PPS signals are supplied by the vehicle time system.

Table of Contents

Related product manuals