EasyManua.ls Logo

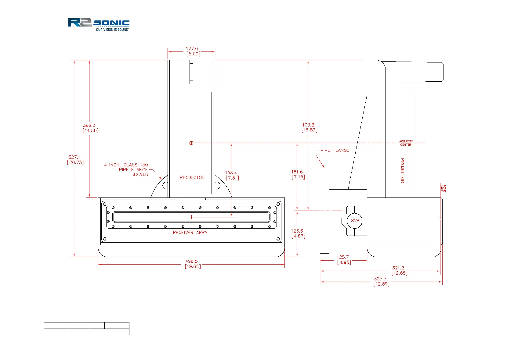
R2Sonic 2026 - Figure 219: Sonic 2024 Mounting Bracket Drawing

R2Sonic 2026
254 pages
Print Icon
To Next Page IconTo Next Page
To Next Page IconTo Next Page
To Previous Page IconTo Previous Page
To Previous Page IconTo Previous Page
Loading...
Page 242 of 254
Version
6.3
Rev
r012
Date
05-11-2022
Part No. 96000001
Figure 220: Sonic 2024 Mounting Bracket Drawing

Table of Contents

Related product manuals