EasyManua.ls Logo

Renesas M16C/29 Series - Page 344

Renesas M16C/29 Series
501 pages
Print Icon
To Next Page IconTo Next Page
To Next Page IconTo Next Page
To Previous Page IconTo Previous Page
To Previous Page IconTo Previous Page
Loading...
19. Programmable I/O Ports
puorG92/C61M
page 318
854fo7002,03.raM21.1.veR
2110-1010B90JER
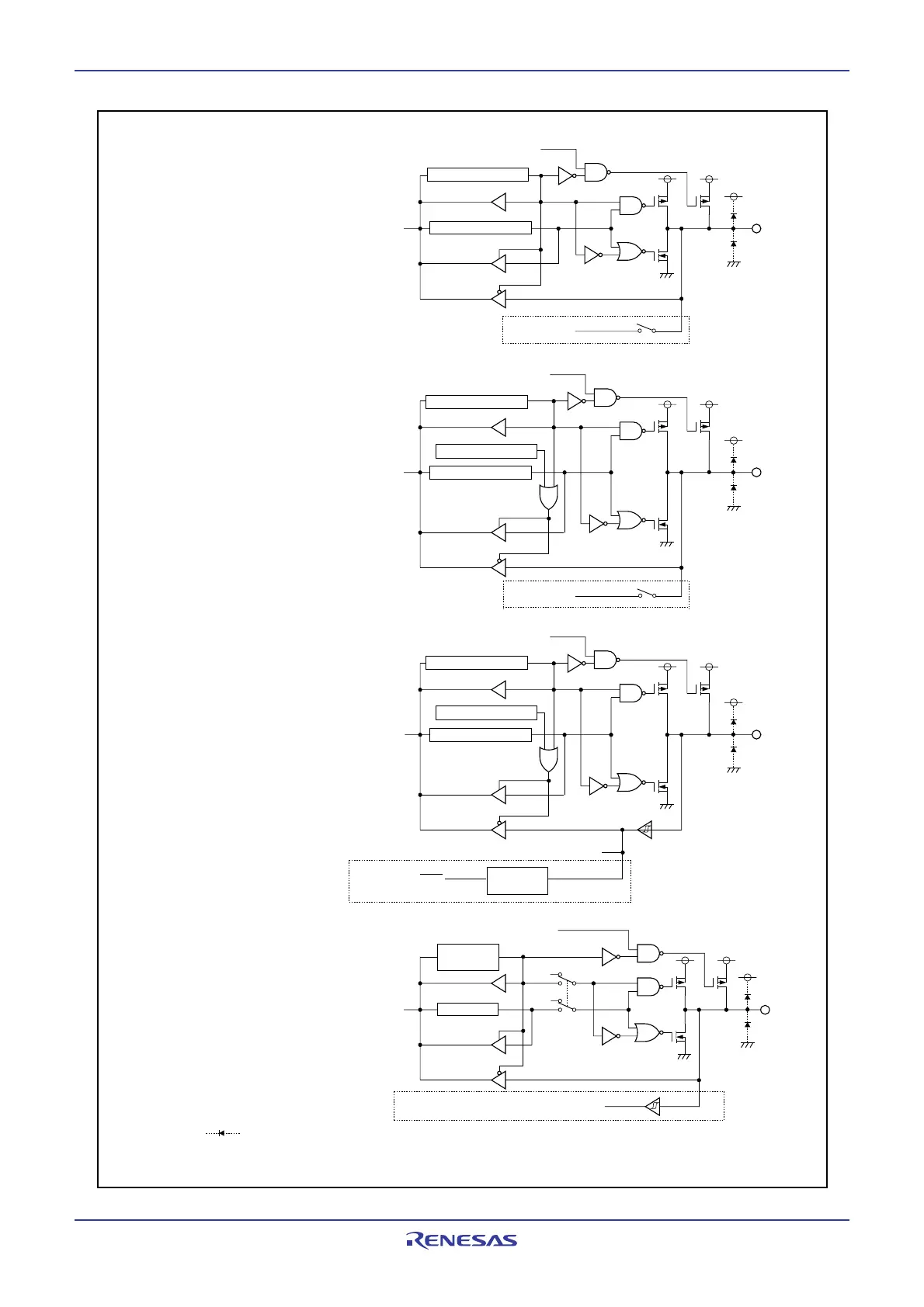
Figure 19.1 I/O Ports (1)
P10 to P13
P15, P16
P22 to P27, P30, P60, P61, P64,
P6
5, P74 to P76, P80, P81
P00 to P07,
P10
0 to P103
P3
0
to P3
7
(inside dotted-line included)
(inside dotted-line not included)
Data bus
Data bus
(1)
Analog input
Pull-up selection
Direction register
Port latch
P1
4
(inside dotted-line not included)
(inside dotted-line included)
P1
7
(inside dotted-line not included)
(inside dotted-line included)
P3
2
(inside dotted-line not included)
(inside dotted-line included)
Data bus
Direction register
Port latch
Pull-up selection
(1)
Port P1 control register
Analog input
Direction register
Port latch
Pull-up selection
(1)
Port P1 control register
Input to respective peripheral functions
Digital
debounce
INPC1
7/INT5
"1"
Output
Data bus
Direction
register
Port latch
Pull-up selection
(1)
Input to respective peripheral functions
NOTE:
1. symbolizes a parasitic diode.
Make sure the input voltage on each port will not exceed Vcc.

Table of Contents

Related product manuals