EasyManua.ls Logo

Renesas M16C/29 Series - Page 345

Renesas M16C/29 Series
501 pages
Print Icon
To Next Page IconTo Next Page
To Next Page IconTo Next Page
To Previous Page IconTo Previous Page
To Previous Page IconTo Previous Page
Loading...
19. Programmable I/O Ports
puorG92/C61M
page 319
854fo7002,03.raM21.1.veR
2110-1010B90JER
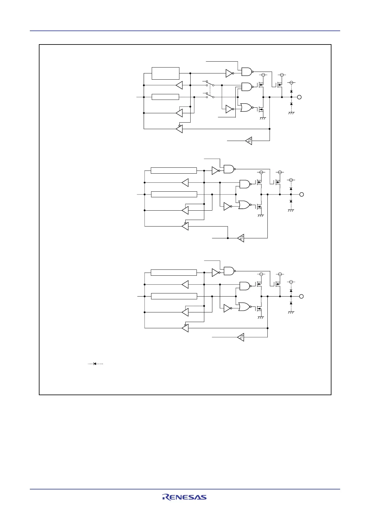
Figure 19.2 I/O Ports (2)
P8
2
to P8
4
P3
1
, P6
2
, P6
6
, P7
7
Data bus
Pull-up selection
Direction register
Port latch
Data bus
Pull-up selection
Direction register
Port latch
Input to respective peripheral functions
Input to respective peripheral functions
P2
0
, P2
1
, P7
0
to P7
3
"1"
Output
Data bus
Direction
register
Port latch
Pull-up selection
(1)
Input to respective peripheral functions
Switching
between
CMOS and
Nch
(1)
(1)
NOTE:
1. symbolizes a parasitic diode.
Make sure the input voltage on each port will not exceed Vcc.

Table of Contents

Related product manuals