EasyManua.ls Logo

Renesas M16C/29 Series - Page 346

Renesas M16C/29 Series
501 pages
Print Icon
To Next Page IconTo Next Page
To Next Page IconTo Next Page
To Previous Page IconTo Previous Page
To Previous Page IconTo Previous Page
Loading...
19. Programmable I/O Ports
puorG92/C61M
page 320
854fo7002,03.raM21.1.veR
2110-1010B90JER
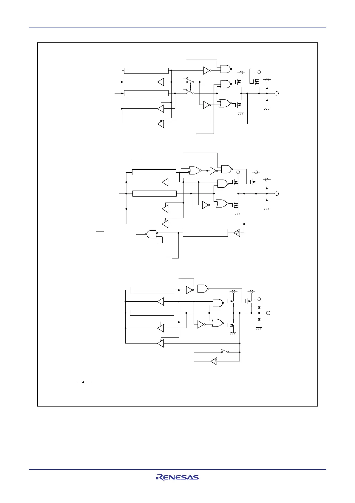
Figure 19.3 I/O Ports (3)
P8
5
P6
3
, P6
7
Output
“1
Data bus
Pull-up selection
Direction register
Port latch
Switching between CMOS and Nch
NOTE:
1. symbolizes a parasitic diode.
Make sure the input voltage on each port will not exceed Vcc.
Data bus
Pull-up selection
Direction register
Port latch
NMI Interrupt Input
NMI Enable
Digital Debounce
NMI Enable
SD
(1)
(1
)
Data bus
Direction register
Pull-up selection
Port latch
Analog input
Input to respective peripheral functions
P9
1
, P9
2
, P9
7
,
P10
4
to P10
7
(1)

Table of Contents

Related product manuals