EasyManua.ls Logo

Siemens SIMOTION D4x5-2 DP/PN

Siemens SIMOTION D4x5-2 DP/PN
446 pages
To Next Page IconTo Next Page
To Next Page IconTo Next Page
To Previous Page IconTo Previous Page
To Previous Page IconTo Previous Page
Loading...
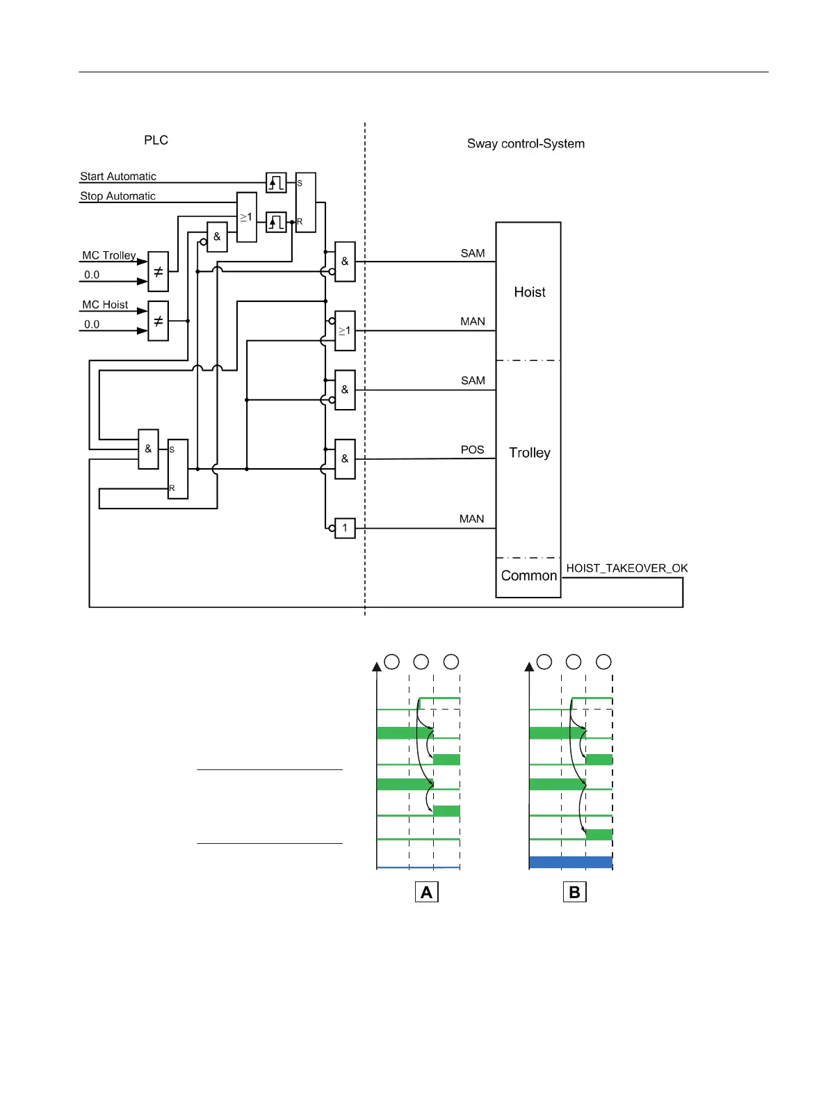
Figure 6-40 Logic for hoist takeover
U9B6(7B+2
6$0+RLVW
6$07UROOH\
0$1+RLVW
0$17UROOH\
3267UROOH\
+2,67B7$.(29(5B2.
PPV
PPV
,1
,1
,1
287
,1
,1
,1
PPV
PPV
,1
,1
,1
287
,1
,1
,1
Figure 6-41 Hoist takeover status diagram
Scenario A:
Section 1:
Sway Control function description
6.23 Hoist takeover
SC integrated STS, GSU
Operating Instructions, 07/2019, A5E48271265B AA 223

Table of Contents