EasyManua.ls Logo

Siemens Sinumerik 840D Series - Page 251

Siemens Sinumerik 840D Series
288 pages
Print Icon
To Next Page IconTo Next Page
To Next Page IconTo Next Page
To Previous Page IconTo Previous Page
To Previous Page IconTo Previous Page
Loading...
10.03
A.1 Servo solenoid valves
A-251
 Siemens AG, 2003. All rights reserved
SINUMERIK 840D/SIMODRIVE 611 digital, HLA Module (FBHLA) - 10.03 Edition
+15 V
-15 V
Reference point
Setpoint 0...
Actual valve spool
Supply
Protective
Shield
2.5 AF
100k
100k
10k
+U
B
DC
DC
S
U
PID
Logic
+
-
PD
+
-
0...
1
2
3
4
+
-
10 V
+
-
10 V
+24 V=O
B
C
D
I
F
0 V
1)
Actual valve spool
0 V
Sign.
1) Do not connect to 0 V supply
connect
+U
B
-15 V=
ref. 0
+15 V=
Signal
Main
stage
Pilot
stage
Diff.
amp.
S
U
conductor
value
value
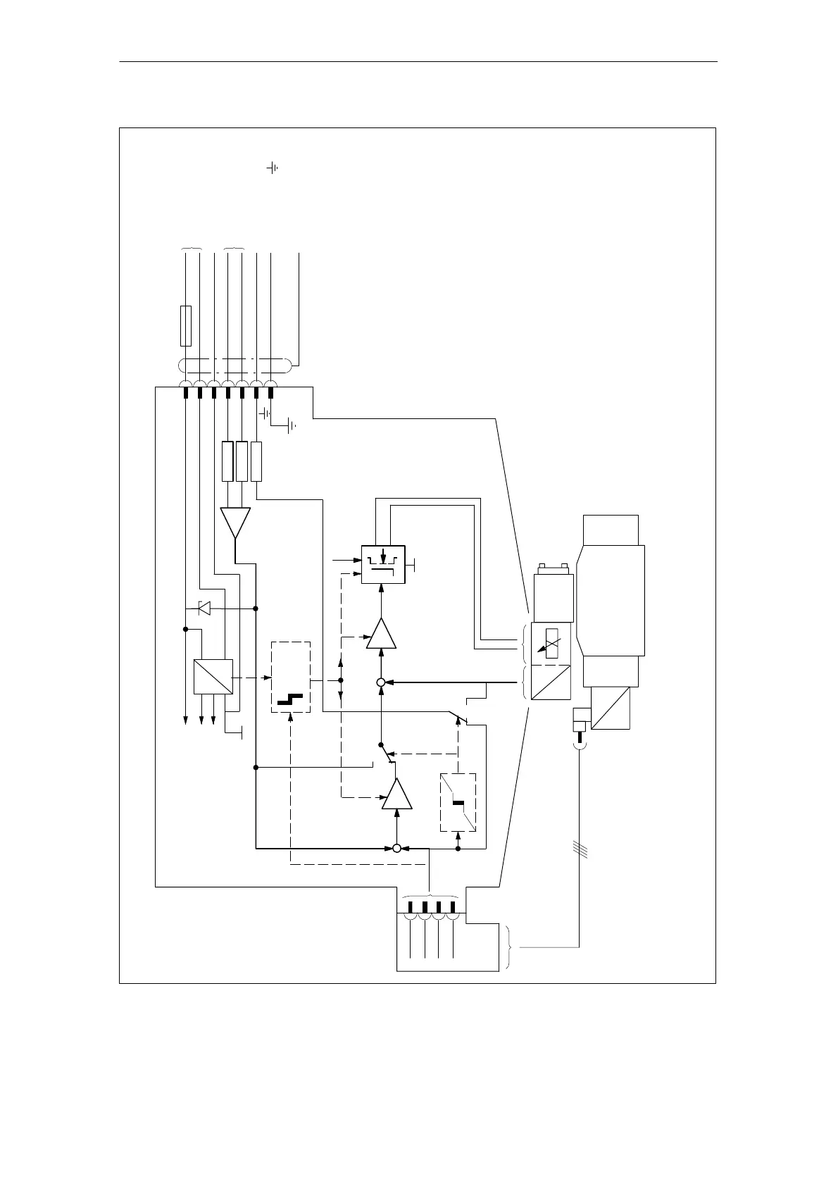
Fig. A-16 Valve amplifier block diagram for pilot-controlled servo solenoid valves, sizes 10 and 16 (Rexroth)
A Hydraulics

Table of Contents

Other manuals for Siemens Sinumerik 840D Series

Related product manuals