EasyManua.ls Logo

Teledyne RIVERPRO - Bottom Track Commands; Available Bottom Track Commands; BP - Number of BT Pings

Teledyne RIVERPRO
194 pages
Print Icon
To Next Page IconTo Next Page
To Next Page IconTo Next Page
To Previous Page IconTo Previous Page
To Previous Page IconTo Previous Page
Loading...
RiverPro and RioPro ADCP Guide October 2017
EAR-Controlled Technology Subject to Restrictions Contained on the Cover Page.
Page 75
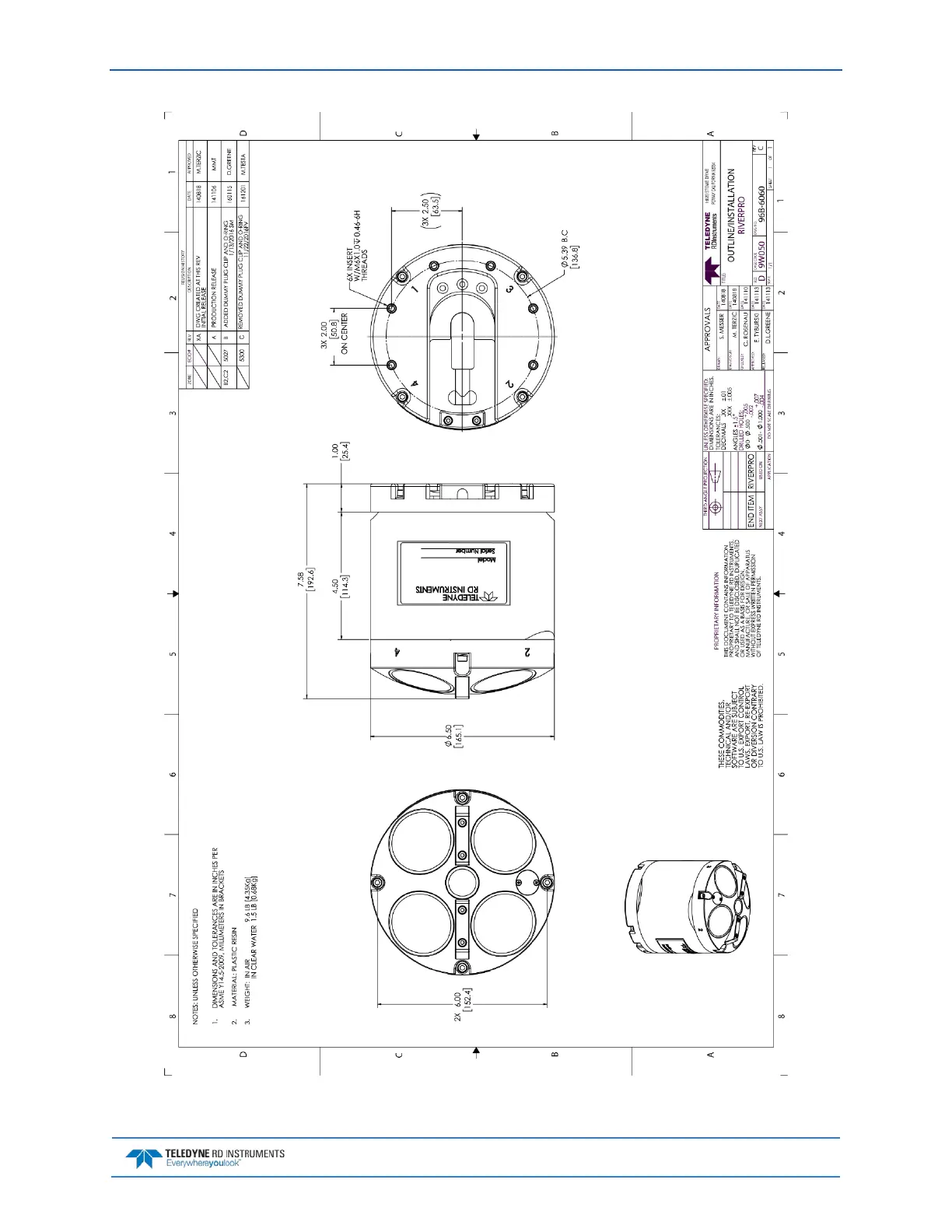
Figure 22. 96B-6060 RiverPro Outline Installation Drawing

Table of Contents

Related product manuals