EasyManua.ls Logo

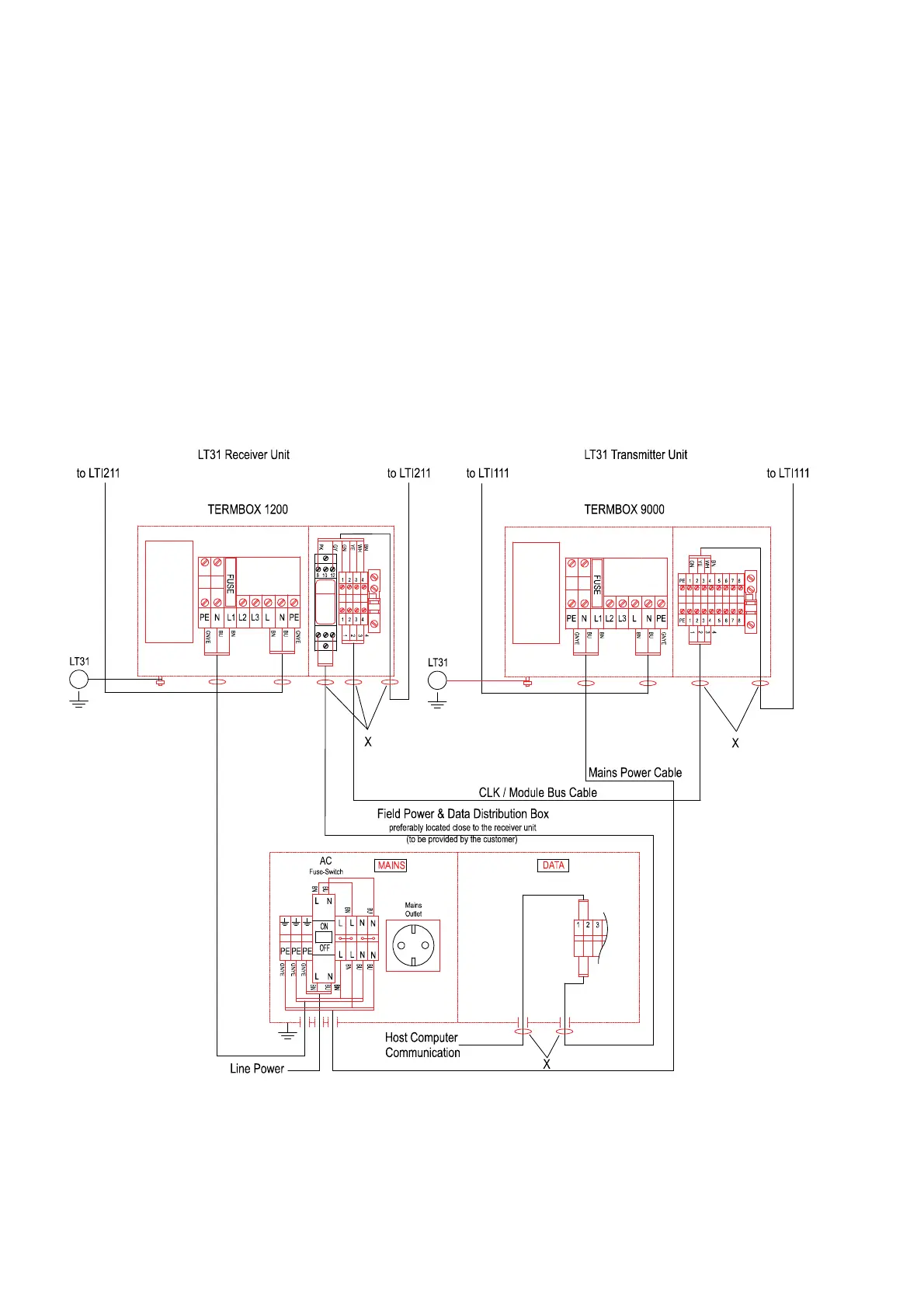
Vaisala LT31 - Connecting Power Cable to Transmitter Interface Unit; Figure 83 LT31 System Wiring with TERMBOX Option

Vaisala LT31
294 pages
Print Icon
To Next Page IconTo Next Page
To Next Page IconTo Next Page
To Previous Page IconTo Previous Page
To Previous Page IconTo Previous Page
Loading...
User's Guide ______________________________________________________________________
122 _________________________________________________________________ M210667EN-C
7. Tighten the cable feed-through carefully and close the cover plate.
Connecting Power Cable to Transmitter Interface
Unit
The power cable should be either connected into the Vaisala
TERMBOX-9000, see section Mounting and Connecting Optional
TERMBOX-9000 (Junction Box) on page 121 or routed straight through
the opening in the base plate of the mast and further into a local power
distribution box. Use a 3-conductor power cable (3 x 1.5 mm
2
) of
sufficient length with free wire ends. Make sure to connect the wires in
the correct way, especially the ones to the protective ground (usually
yellow/green). See Figure 81 on page 120 for wiring instructions.
0808-031
Figure 83 LT31 System Wiring with TERMBOX Option

Table of Contents

Related product manuals