EasyManua.ls Logo

YASKAWA SGD7S

YASKAWA SGD7S
621 pages
To Next Page IconTo Next Page
To Next Page IconTo Next Page
To Previous Page IconTo Previous Page
To Previous Page IconTo Previous Page
Loading...
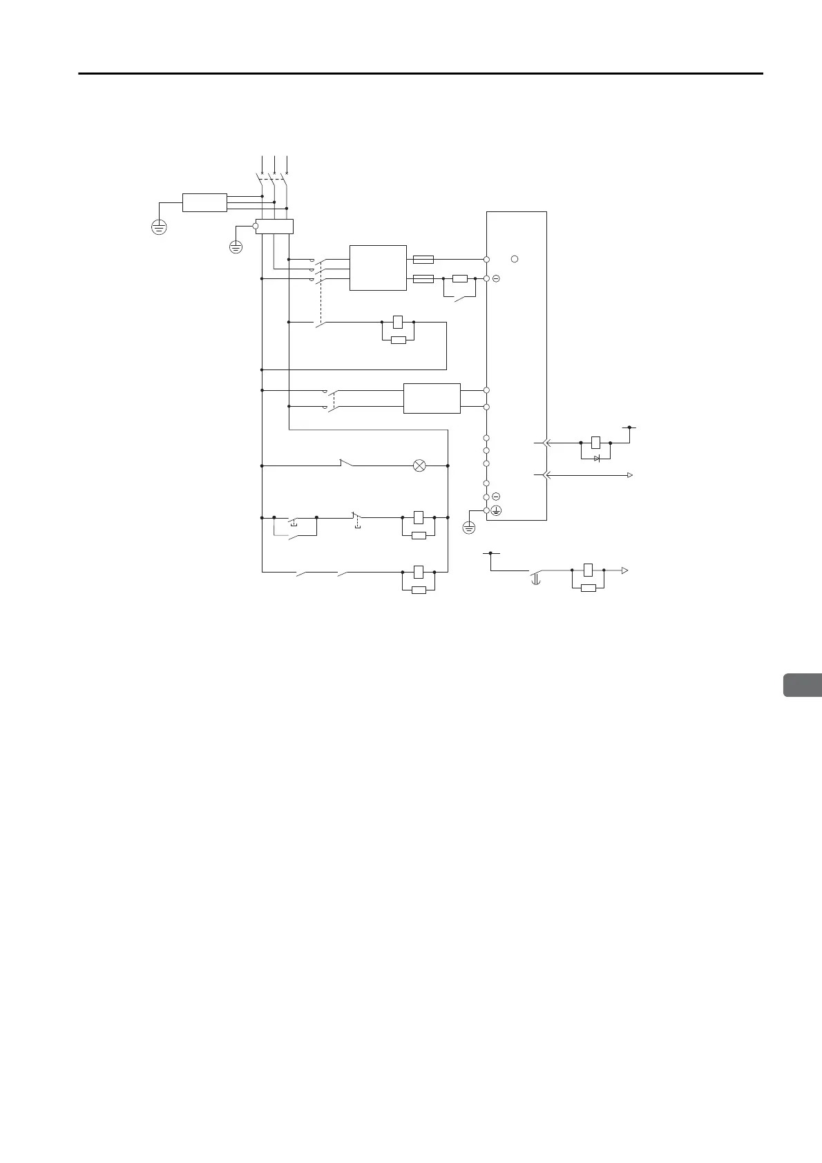
4.3 Wiring the Power Supply to the SERVOPACK
4.3.4 Power Supply Wiring Diagrams
4-19
4
Wiring and Connecting SERVOPACKs
Wiring Example for DC Power Supply Input: SGD7S-330A, -470A, -550A, -590A, and
-780A
1PL
1KM
2KM
1SA
2SA
L1C
L2C
B1/
2
+
1FU
2KM
0 V
1Ry
1D
+24 V
1KM
AC/DC
1QF
R
S T
3SA
1SA: Surge Absorber
2SA: Surge Absorber
3SA: Surge Absorber
4SA: Surge Absorber
5SA: Surge Absorber
1D: Flywheel diode
1R: External inrush current
suppression resistor
+
31
32
CN1
1Ry
1KM
1Ry
1KM
ALM
ALM
1FLT
B2
1
L1
L2
L3
AC/DC
4SA
1TRy
2Ry
1R
2FU
+24 V
1TRy 0 V
5SA
2Ry
SERVOPACK
(For servo alarm
display)
Servo power
ON
Servo power
OFF
1QF: Molded-case circuit breaker
1FLT: Noise Filter
1KM: Magnetic Contactor
(for control power supply)
2KM: Magnetic Contactor
(for main circuit power supply,
auxiliary contact)
1FU: Fuse, positive side
2FU: Fuse, negative side
1Ry: Relay
2Ry: Relay (for inrush current
suppression resistor switch)
1TRy: Timer relay
1PL: Indicator lamp

Table of Contents

Related product manuals