EasyManua.ls Logo

YASKAWA SGD7S - SGD7 S-180 A and -200 A

YASKAWA SGD7S
621 pages
Print Icon
To Next Page IconTo Next Page
To Next Page IconTo Next Page
To Previous Page IconTo Previous Page
To Previous Page IconTo Previous Page
Loading...
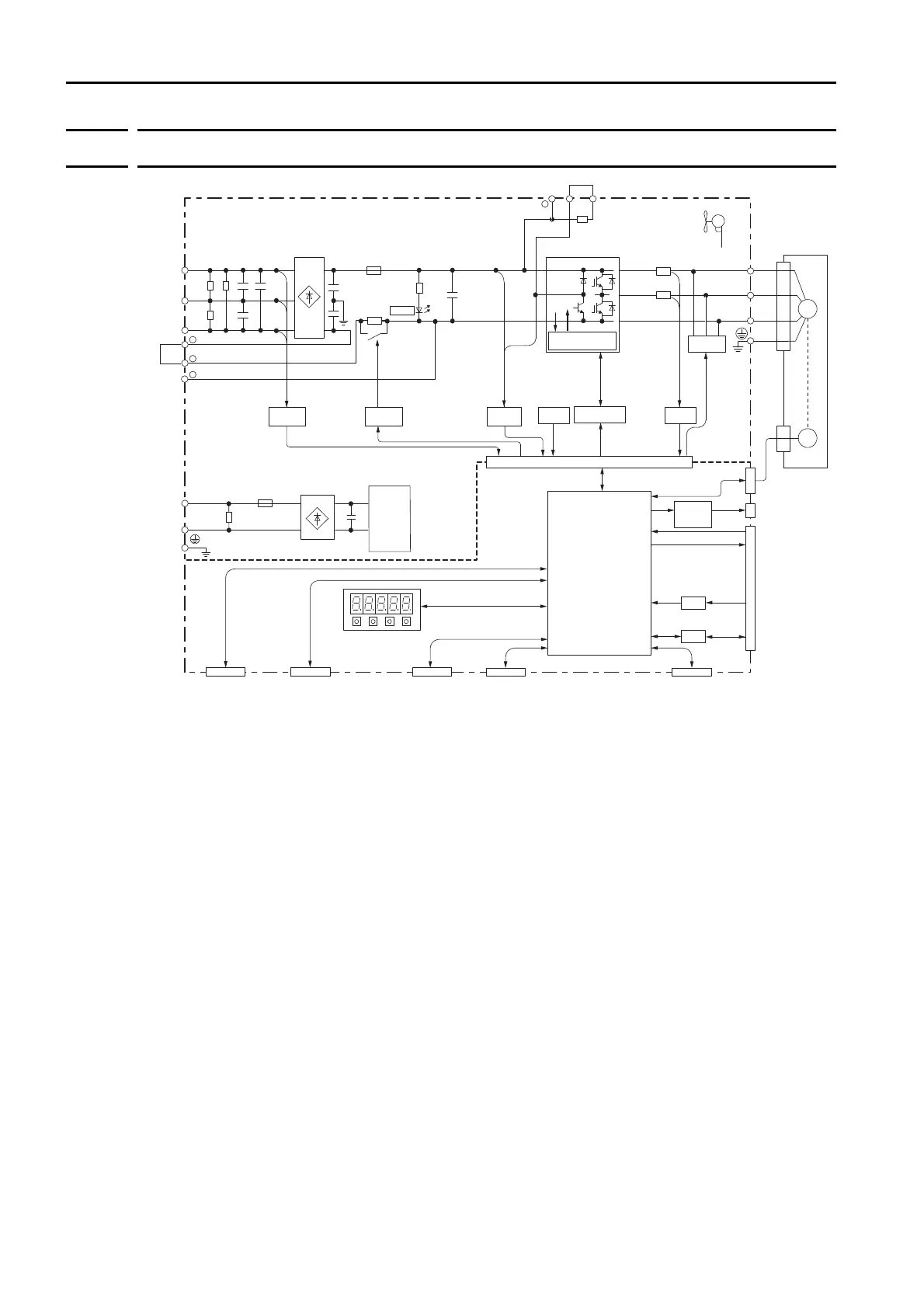
2.2 Block Diagrams
2.2.5 SGD7S-180A and -200A
2-14
2.2.5
SGD7S-180A and -200A
L1
B1/
B2 B3
L2
L3
1
2
L1C
L2C
U
V
W
CN3
CN2
ENC
A/D
I/O
CN1
CN5
M
CHARGE
-
+
-
-
CN7 CN8
CN11 CN12
Processor
(PWM control, position/
speed calculations, etc.)
Control
power
supply
Digital Operator ComputerOption Module Option Module
Current
sensor
Dynamic
brake circuit
Servomotor
Analog
voltage
converter
Encoder divided
pulse output
Analog monitor
output
Voltage
sensor
Voltage
sensor
Varistor
Varistor
Relay
drive
Temperature
sensor
Safety function signals
Main
circuit
power
supply
Control
power
supply
+
+
Fan
Gate drive
Overheat/overcurrent
protection
Reference pulse input
Reference voltage
input
I/O signals
Panel Operator

Table of Contents

Related product manuals