EasyManua.ls Logo

ABB REL650 - Page 255

ABB REL650
942 pages
Print Icon
To Next Page IconTo Next Page
To Next Page IconTo Next Page
To Previous Page IconTo Previous Page
To Previous Page IconTo Previous Page
Loading...
set to be active either continuously or only directly in connection to breaker open
or close command.
The function also has a binary input that can be configured from the autoreclosing
function, so that the pole discordance function can be blocked during sequences
with a single pole open if single pole autoreclosing is used.
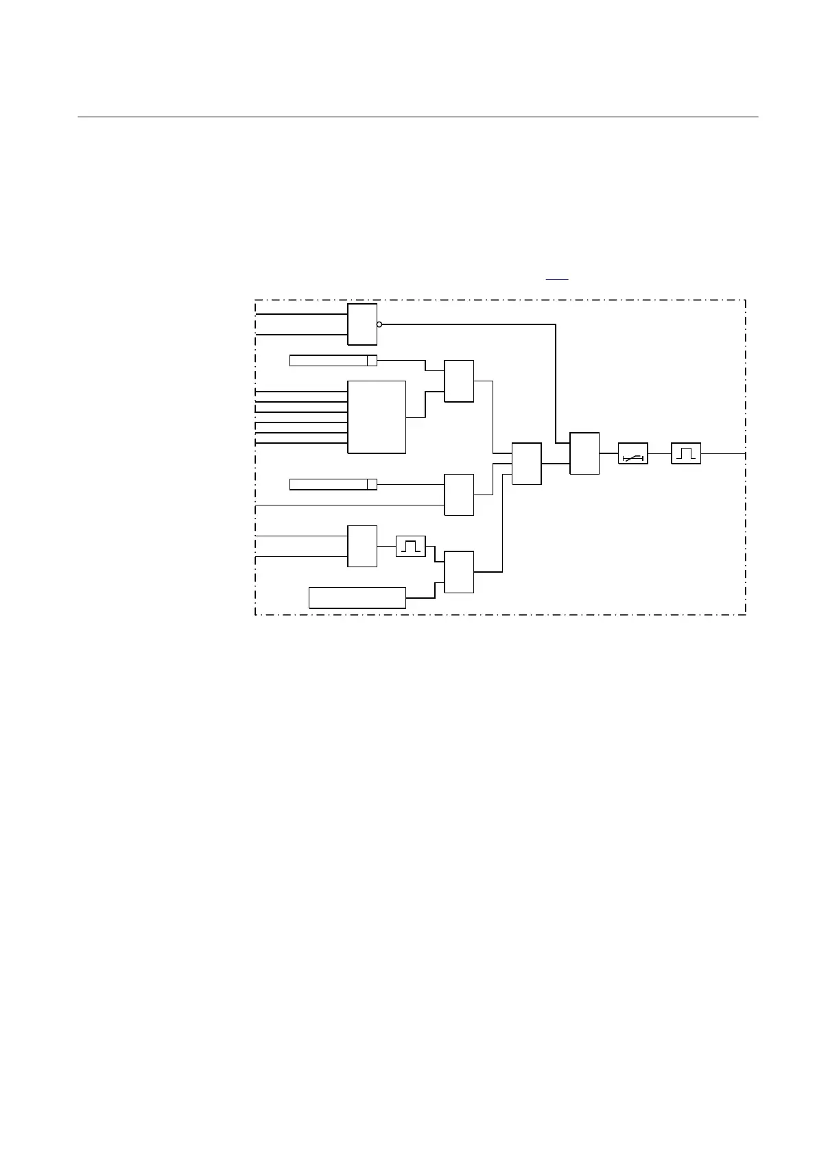
M13946-3 v7
The simplified block diagram of the current and contact based Pole discordance
protection function CCPDSC is shown in figure
120.
en05000747.vsd
OR
BLOCK
BLKDBYAR
POLE1OPN
POLE1CL
POLE2OPN
POLE2CL
POLE3OPN
POLE3CL
Discordance
detection
PolPosAuxCont
AND
PD Signal from CB
AND
EXTPDIND
Unsymmetry current
detection
OR
CLOSECMD
OPENCMD
t+200 ms
AND
OR
AND
TRIP
t
t 150 ms
IEC05000747 V1 EN-US
Figure 120: Simplified block diagram of pole discordance function CCPDSC -
contact and current based
CCPDSC is blocked if:
The IED is in TEST mode and CCPDSC has been blocked from the local HMI
The input signal BLOCK is high
The input signal BLKDBYAR is high
The BLOCK signal is a general purpose blocking signal of the pole discordance
protection. It can be connected to a binary input in the IED in order to receive a
block command from external devices or can be software connected to other
internal functions in the IED itself in order to receive a block command from
internal functions. Through OR gate it can be connected to both binary inputs and
internal function outputs.
The BLKDBYAR signal blocks the pole discordance operation when a single phase
autoreclosing cycle is in progress. It can be connected to the output signal 1PT1 on
SMBRRECfunction block. If the autoreclosing function is an external device, then
BLKDBYAR has to be connected to a binary input in the IED and this binary input
1MRK 506 382-UEN A Section 7
Current protection
Line distance protection REL650 2.2 IEC 249
Technical manual

Table of Contents

Other manuals for ABB REL650

Related product manuals