EasyManua.ls Logo

ATV 200 - Page 137

ATV 200
223 pages
Print Icon
To Next Page IconTo Next Page
To Next Page IconTo Next Page
To Previous Page IconTo Previous Page
To Previous Page IconTo Previous Page
Loading...
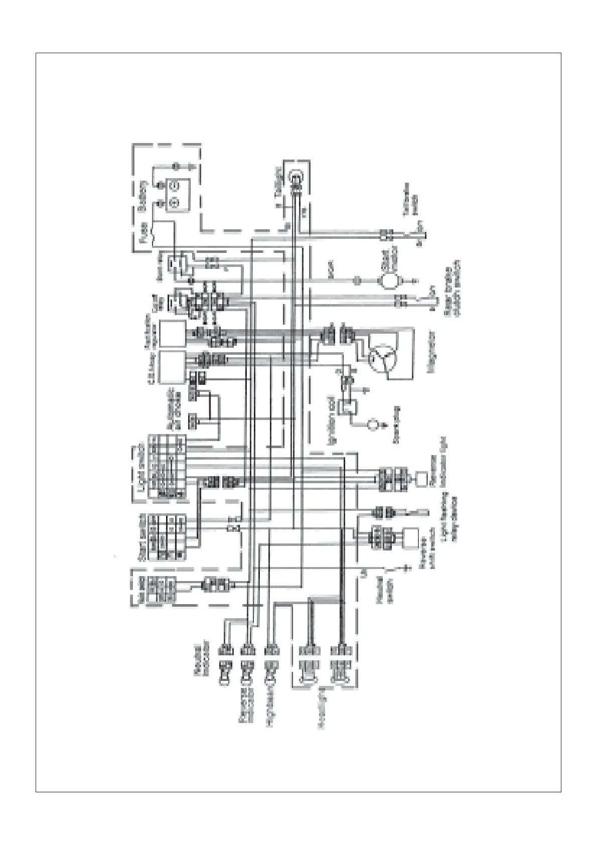
Diagram of lighting system
- 131 -

Table of Contents

Related product manuals