EasyManua.ls Logo

Axia Element - Page 137

Axia Element
178 pages
Print Icon
To Next Page IconTo Next Page
To Next Page IconTo Next Page
To Previous Page IconTo Previous Page
To Previous Page IconTo Previous Page
Loading...
Appendix B • 127
©2008 Axia Audio — Rev. 3.0
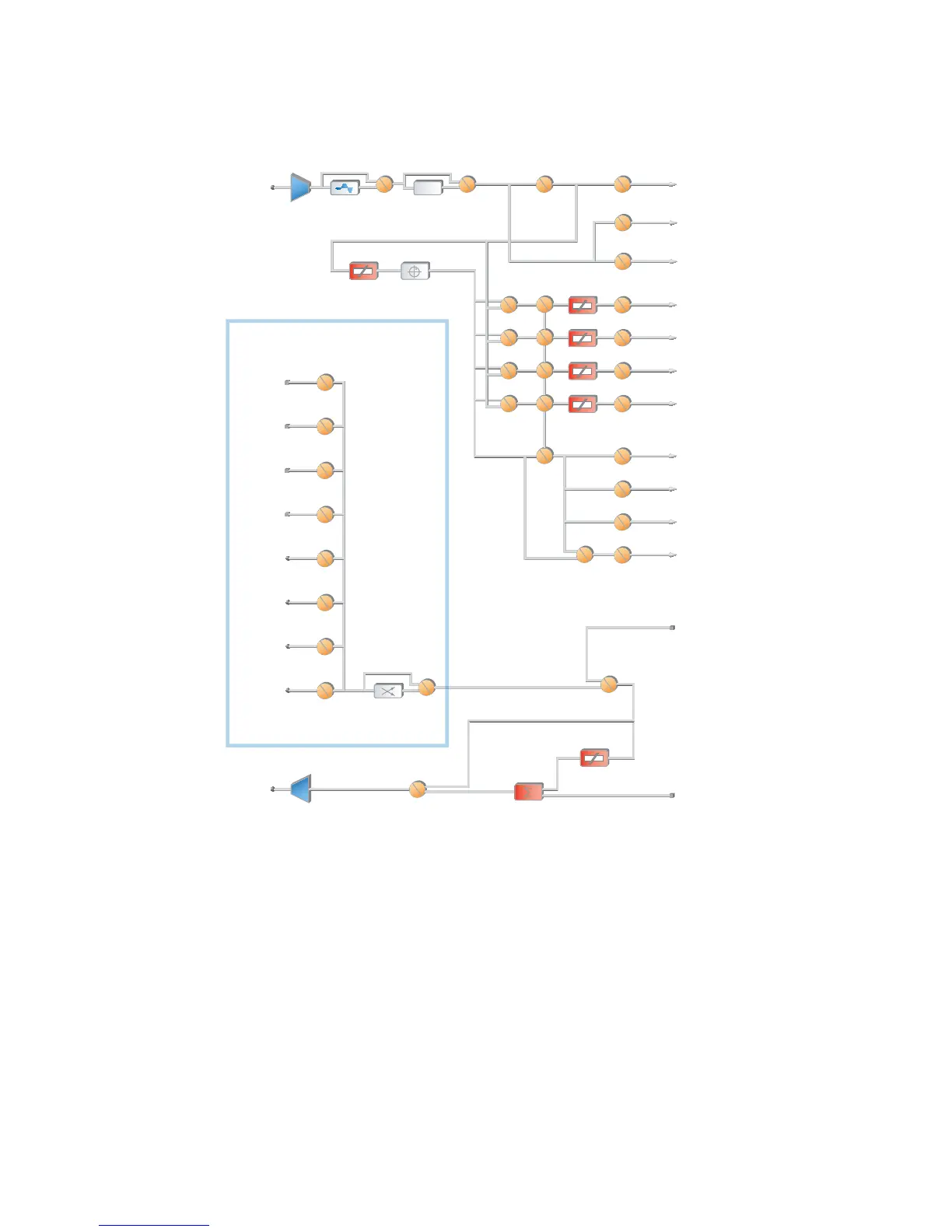
Control Room Guest Microphone Channel Block
FEED TO
CR GUEST
HEADPHONE
CR GUEST
MICROPHONE
SOURCE
EQ / DYN
PHASE
Ø
PRE FDR
PRE FDR
PRE FDR
PRE FDR ON
AUX 1
Σ AUX SEND 1
AUX 1
AUX 2
Σ AUX SEND 2
AUX 2
AUX 3
Σ AUX SEND 3
AUX 3
AUX 4
Σ AUX SEND 4
AUX 4
PRE ON
Σ PROGRAM 1
PGM 1
Σ PROGRAM 2
Σ PROGRAM 3
Σ PROGRAM 4
PGM 4
MUTE PREVIEW
Σ PREVIEW
MON 2 FEED
FADER PAN
PGM 3
PGM 2
TALK
JOIN TALK MIX
Σ TALK TO X
HI, MID, LO EQ
COMPRESSOR
DE-ESSER
NOISE GATE
NORMAL
INVERT
TALK TO MON1
Σ TALK MON 1
PGM 1 MON
PGM 1
USER D
USER D
MODE
STEREO
LEFT
RIGHT
MONO
REMOTE MONITOR SELECTOR MODULE
(OPTIONAL)
ACTIVATE
REMOTE
MON SELECT
DIM
PGM 2 MON
PGM 2
PGM 3 MON
PGM 3
PGM 4 MON
PGM 4
USER A
USER A
USER B
USER B
USER C
USER C
TALK TO X MIX

Table of Contents

Related product manuals