EasyManua.ls Logo

Case 621G - Page 137

Case 621G
430 pages
Print Icon
To Next Page IconTo Next Page
To Next Page IconTo Next Page
To Previous Page IconTo Previous Page
To Previous Page IconTo Previous Page
Loading...
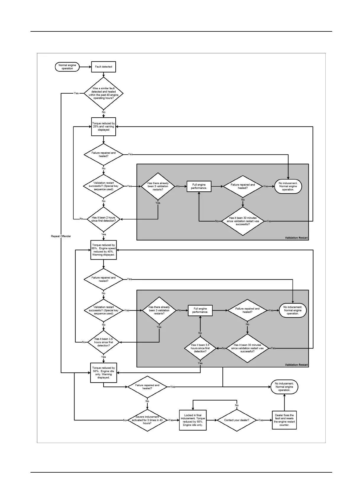
3-CONTROLSANDINSTRUMENTS
Inducementandvalidationre-starts
LEIL14WHL0394HA2
3-77

Table of Contents

Related product manuals