EasyManua.ls Logo

Case WX145 - Page 119

Case WX145
375 pages
Print Icon
To Next Page IconTo Next Page
To Next Page IconTo Next Page
To Previous Page IconTo Previous Page
To Previous Page IconTo Previous Page
Loading...
SECTION 3
3-8
F34250
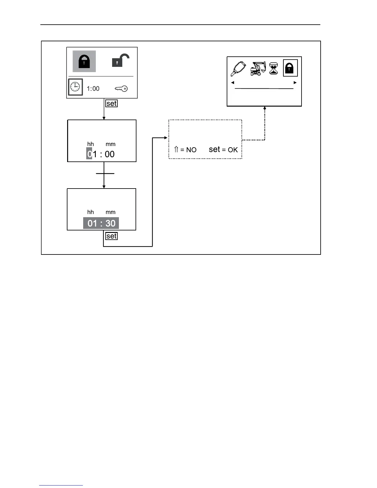
CODE
Save changes?
Active code after:
Active code after:
minimum = 1 minute
maximum = 6 hours
Data input
5

Table of Contents

Other manuals for Case WX145

Related product manuals