EasyManua.ls Logo

Epson S1C17624 - 9 I;O Ports (P); 9.1 P Module Overview

Epson S1C17624
368 pages
Print Icon
To Next Page IconTo Next Page
To Next Page IconTo Next Page
To Previous Page IconTo Previous Page
To Previous Page IconTo Previous Page
Loading...
9 I/O PORTS (P)
S1C17624/604/622/602/621 TECHNICAL MANUAL
Seiko Epson Corporation
9-1
I/O Ports (P)9
P Module Overview9.1
The P ports are general-purpose digital inputs/outputs that allow software to control the input/output direction, pull-
up resistor, and input interface level. These ports are shared with internal peripheral module inputs/outputs, and the
pin functions can be switched by setting the registers. A number of port groups can generate interrupts caused by a
transiti
on of the input signal.
The following shows the features of the P module:
S1C17624/622: Maximum 47 I/O ports (P0[7:0], P1[7:0], P2[7:0], P3[7:0], P4[7:0], P5[6:0]) are available.
S1C17604/602/621: Maximum 36 I/O ports (P0[7:0], P1[7:0], P2[7:0], P3[7:0], P4[3:0]) are available.
* The number of ports for general-purpose use depends on the peripheral functions used.
Each port has a pull-up resistor
that can be enabled with software.
Some I/O ports support two input interface levels selectable with software: CMOS Schmitt level or CMOS level
The P0 and P1 ports can generate input interrupts at the signal edge selected with software.
The P0 and P1 ports include a chattering filter.
Can generate an initial reset by entering low level simultaneously to the P0 ports selected with software.
Al
l port provide a port function select bit to configure the pin function (for GPIO or peripheral functions).
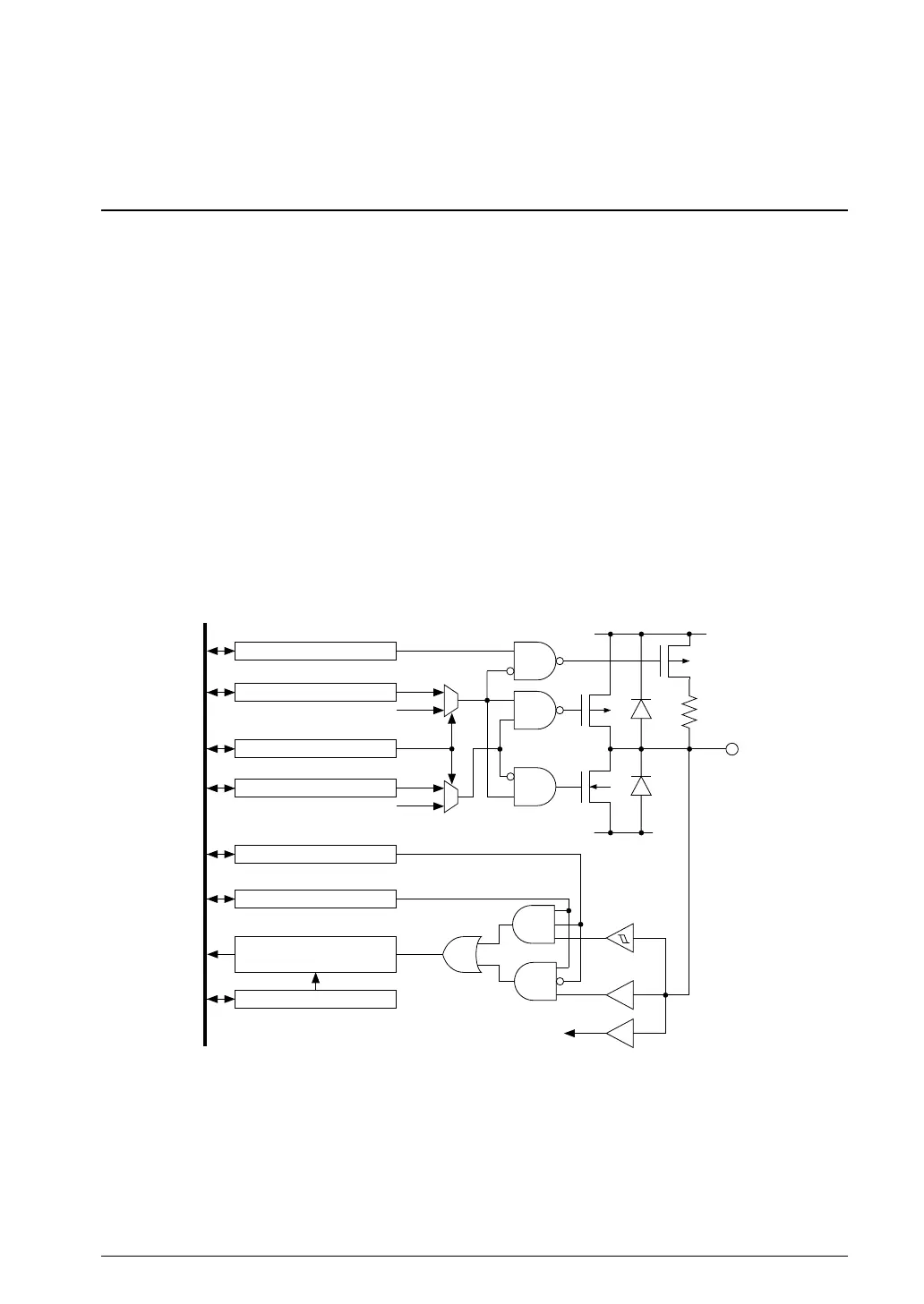
Figure 9.1.1 shows the I/O port configuration.
Peripheral output
Peripheral I/O control
PxPUy
PxOENy
PxSMy
PxOUTy
PxyMUX
Pull-up enable
Output enable
Schmitt trigger control
Output data
Function selection
V
DD
VSS
Internal data bus
Pxy
Peripheral module input
PxIENy
PxCF1[2:0]/PxCF2[2:0]
Chattering filter
(P0, P1)
Input enable
1.1 I/O Port ConfigurationFigure 9.
Notes: The PCLK clock must be supplied from the clock generator to access the I/O port. The PCLK
clock is also needed to operate the P0/P1 chattering filters.
The “xy in the register and bit names refers to the port number (Pxy, x = 0 to 5, y = 0 to 7).
Example: PxINy/Px_IN register
P00: P0IN0/P0_IN register
P17: P1IN7/P1_IN register

Table of Contents