EasyManua.ls Logo

HIMA H41q - Page 220

Default Icon
522 pages
Print Icon
To Next Page IconTo Next Page
To Next Page IconTo Next Page
To Previous Page IconTo Previous Page
To Previous Page IconTo Previous Page
Loading...
F 3322 (0508)
214
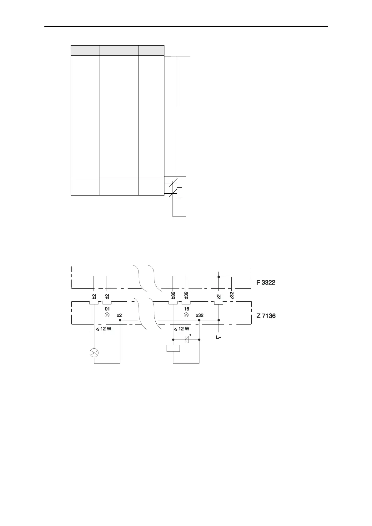
Lead marking of the cable plug
Z 7136 / 3322 / C..
Figure 2: Lead marking of the cable plug Z 7136 / 3322 / C..
Figure 3: 2-pole connection
Channel Connection Color
1
2
3
4
5
6
7
8
9
10
11
12
13
14
15
16
b2
b4
b6
b8
b10
b12
b14
b16
b18
b20
b22
b24
b26
b28
b30
b32
WH
BN
GN
YE
GY
PK
BU
RD
BK
VT
WHBN
WHGN
WHYE
WHGY
WHPK
WHBU
L–
L+
z2
z12
BK
RD
Cable
LiYY 16 x 0.5 mm
2
Flat pin
plug
2.8 x 0.8 mm
2
q = 1 mm
2
l = 750 mm
* suggested
Typ : 1N4007
p
art no. 26 810 4004
e

Table of Contents