EasyManua.ls Logo

Honeywell 5704 - Page 115

Honeywell 5704
191 pages
Print Icon
To Next Page IconTo Next Page
To Next Page IconTo Next Page
To Previous Page IconTo Previous Page
To Previous Page IconTo Previous Page
Loading...
4-52
MAN0448_Issue 13_01-2010 5704 Control System
005704-M-5001 A03249
CHAPTER 4 - INSTALLATION INSTRUCTIONS
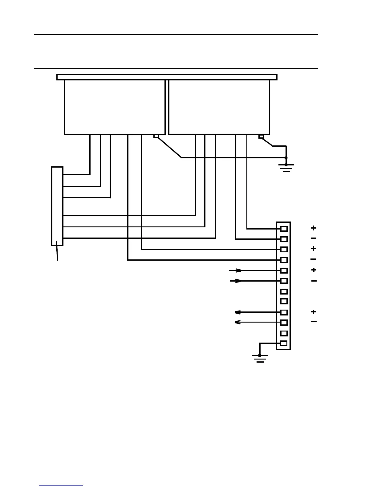
Twin Sub-Unit AC to DC Power Supply Connections to AC Supply, Earth and DC
Input Card, Together with Auxiliary Battery Backup Supply
Brown
Blue
Green/Yellow
AC to DC PSU
50W Sub-Unit
Earth
Stud
AC to DC PSU
50W Sub-Unit
System
Earth
DC Input Card
TB1
Auxiliary 24V DC Supply
(eg. Battery Backup)
24V Output to Ancillary
Equipment
System
Earth
AC Input
Supply
Brown
Blue
Green/Yellow
Intermediate
Terminal
Block
L
N
E
L
N
E
12
11
10
9
8
7
6
5
4
3
2
1
Earth
Stud
Red
Black
Red
Black

Table of Contents

Related product manuals