EasyManua.ls Logo

Honeywell 5704 - DC Power Connections; 15.1 General

Honeywell 5704
191 pages
Print Icon
To Next Page IconTo Next Page
To Next Page IconTo Next Page
To Previous Page IconTo Previous Page
To Previous Page IconTo Previous Page
Loading...
4-49
CHAPTER 4 - INSTALLATION INSTRUCTIONS
MAN0448_Issue 13_01-2010 5704 Control System
005704-M-5001 A03249
15. DC POWER CONNECTIONS
15.1 General
CAUTION
The ratings of power supplies should be checked by calculating a
system power budget as outlined in Section 5.
IMPORTANT
The System 57 must be earthed
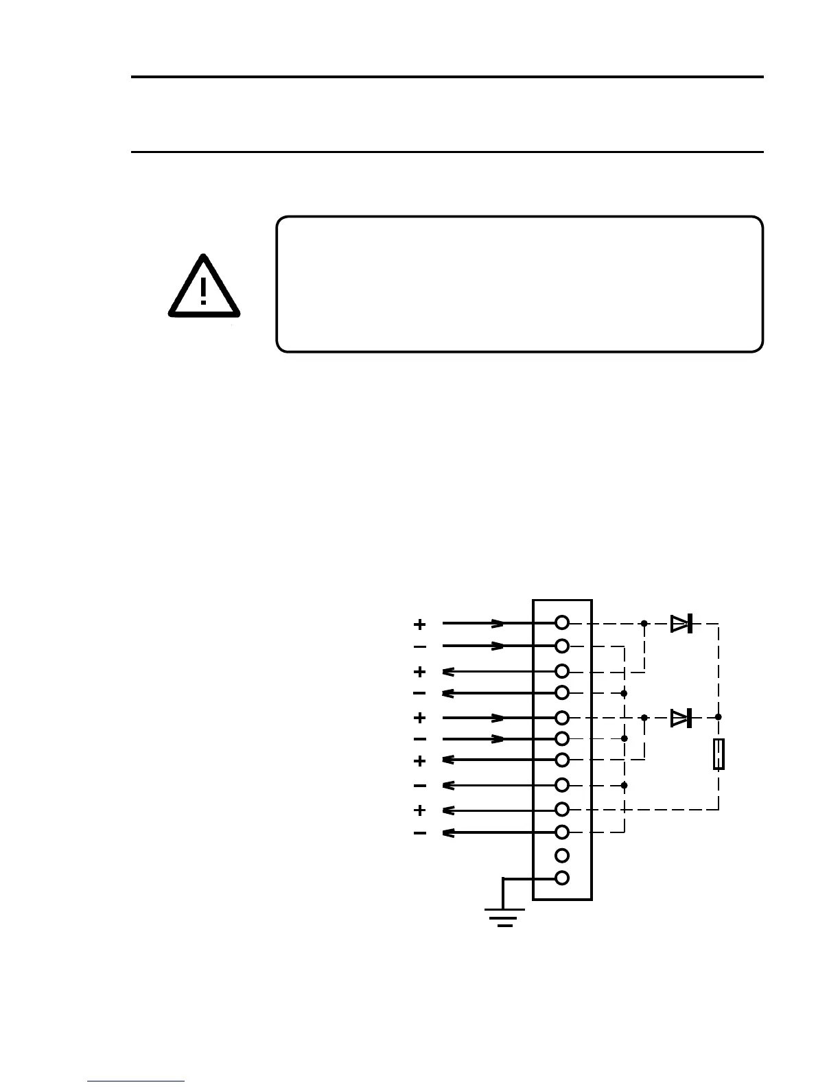
DC power is connected to the System 57 via the DC Input Card terminal
block TB1 and via the Quad Relay Interface Cards.
The DC Input Card provides diode isolation to permit the connection
of two separate power supplies. eg. A mains derived dc power supply
and battery backup dc supply. Note that current will be drawn from
the supply input with the highest voltage and in some circumstances
current will be shared between the two inputs. Each of the two inputs
have twin +24V and 0V terminals for easy through power connection
or paralleling of input sources.
A fused +24V output, which is the combination of both dc inputs, is
provided for powering ancillary devices.
Site DC Supply and Auxiliary Battery Backup DC Power Supply
Connections, With Through Wiring
System Earth
Aux Battery
24V DC Supply
Aux Battery
Through Wiring
Site PSU
Through Wiring
Site PSU
24V DC Nominal
24V Output to
Ancillary Equipment
FS1
10A
12
11
10
9
8
7
6
5
4
3
2
1
TB1

Table of Contents

Related product manuals