EasyManua.ls Logo

Honeywell HC900 - Page 208

Honeywell HC900
274 pages
To Next Page IconTo Next Page
To Next Page IconTo Next Page
To Previous Page IconTo Previous Page
To Previous Page IconTo Previous Page
Loading...
194 HC900 Process & Safety Controller User and Installation Manual Revision 6
21 April 2017
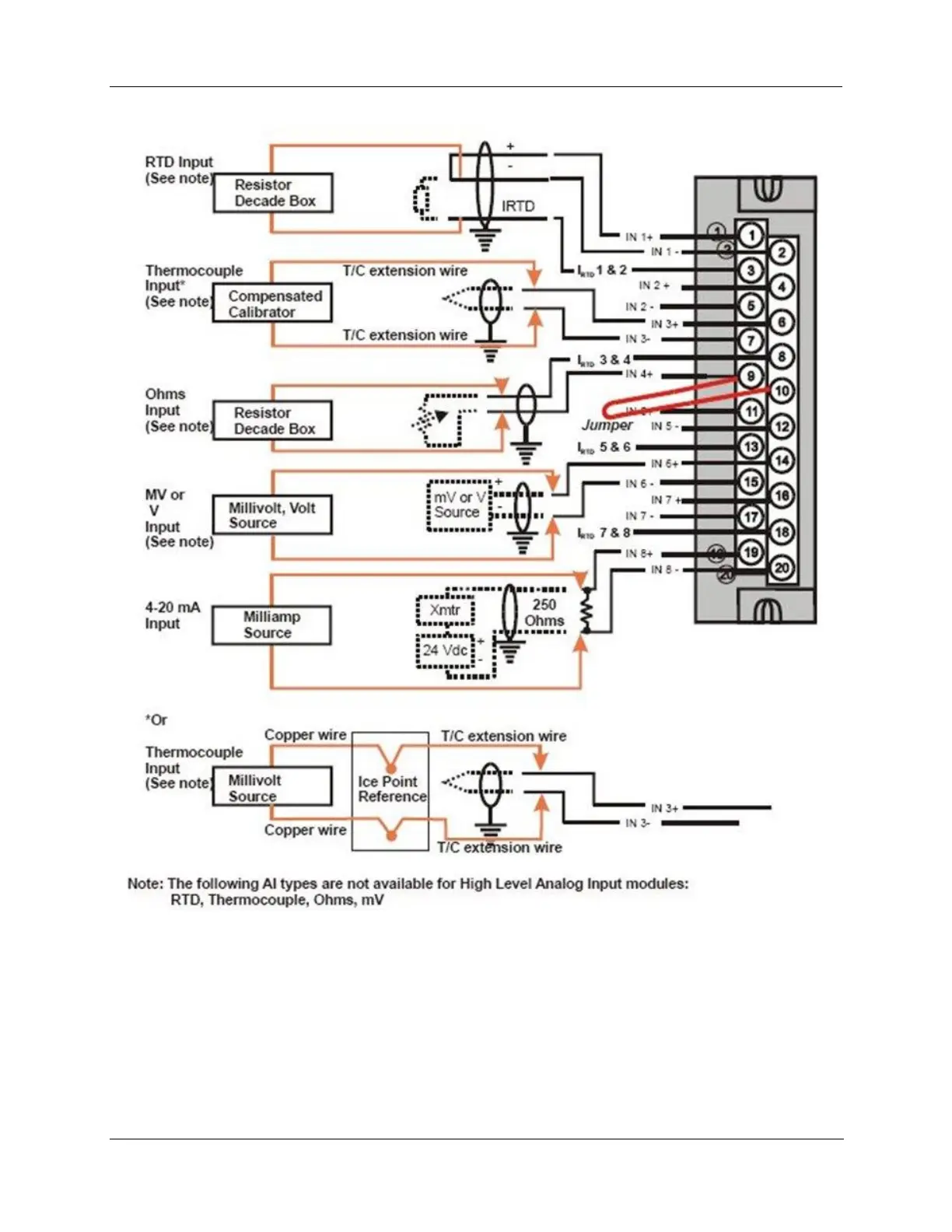
Figure 92 Terminal Board Connections for AI Calibration

Table of Contents

Other manuals for Honeywell HC900

Related product manuals